Заробљени причвршћивачи
      • Заробљени причвршћивачиЗаробљени причвршћивачи
      • Заробљени причвршћивачиЗаробљени причвршћивачи
      • Заробљени причвршћивачиЗаробљени причвршћивачи

      Заробљени причвршћивачи

      Заробљени причвршћивање Скргирање су издржљиви, једноставан за инсталирање и погодно за сложено електронско окружење. Цилиндрични облик може да подржава компоненте, а укочени образац спречава да падну. Фабрика КСИАОГУО® нуди различите спецификације и величине и има довољно залиха.
      Модел:QIB/IND KFB3

      Пошаљи упит

      Опис производа

      Заробљени причвршћивање Склапање Стандфс је направљен од различитих материјала, са различитим сценаријима апликације и карактеристикама. Благи челик (као што је 1008 или 1010) нуди ниску цену и велику чврстоћу; нехрђајући челик (као што је 303 или 304) је рзвођач и корозиран и погодан за употребу у влажним окружењима; А алуминијумска легура (као што је 6061) је проводљива и лагана. Одабиром правог материјала захтева свеобухватно разматрање снаге, тежине, проводљивости, отпорности на корозију и економичност, прилагођен сценарију апликације, локацији и захтевима.

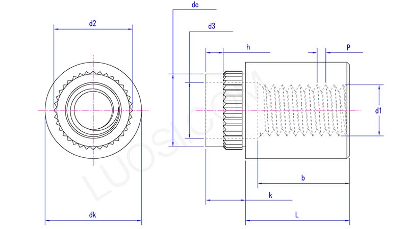
      Captive fastener broaching standoffs parameter

      Пон
      440 632
      P
      40 32
      б мак
      0.391 0.391
      Б мин
      0.359 0.359
      Д1
      # 4 # 6
      Д2 мин
      0.176 0.223
      Д2 Мак
      0.182 0.229
      Д3 Мак Мак
      0.125 0.174
      мин
      0.119 0.168
      ДЦ Мак
      0.165 0.212
      ДК Мак
      0.222 0.283
      Дк мин
      0.216 0.277
      Х Мак
      0.05 0.05
      Х мин
      0.03 0.03
      к мак
      0.09 0.09

      Инсталирати

      Заробљени причвршћивач који се уклапају да се дистрибуирају прилично ефикасно.

      Користећи посебне пнеуматске, хидрауличне или сервоелектричне машине за закивање, стављајући их је брзо и доследно. Потребан вам је само приступ са стране на страни ПЦБ-а.

      Овај једнострани процес чини једноставније дизајн и аутоматизацију монтаже.

      Суочавање са овим спинима пре инсталације је једноставно, обично се испоручују у расутини или на колутима, који раде са аутоматизованим системима за храњење.

      Под високом температуром или термичком циклусом

      Заробљени причвршћивачки спремишта за уклањање спречавања је да остану стабилан у тешким окружењима.

      Нехрђајући челик добро делују овде, обично могу да управљају температурама од -50 ° Ц до преко 200 ° Ц.

      Механичко законодавање чини уску везу која се не отпушта толико током циклуса грејања и хлађења, у поређењу са стварима попут лепка или лемљених делова.

      Само се проверите да ли је материјал студца одговара температурама коју ће видети и колико се загрева и охлади. На тај начин остаће поуздано дуго времена.

      Хот Тагс: Заробљени причвршћивач Складишта, Кина, произвођач, добављача, фабрика
      Повезана категорија
      Пошаљи упит
      Слободно пошаљите свој упит у форму испод. Одговорићемо вам у року од 24 сата.
      X
      We use cookies to offer you a better browsing experience, analyze site traffic and personalize content. By using this site, you agree to our use of cookies. Privacy Policy
      Reject Accept