Заптивање угљеничних челика Откуцавање орашастих плодова су врста затварача која се користи за повезивање танких плоча или лима. Направљени су од угљеника челика, каљене и угашене да би се повећале тврдоћа, а површина се поцинкована или на неки други начин отпоран на корозију.
Заптивна линија за затварање је прилично једноставна, можете користити стандардне пнеуматске или хидрауличне клинске алате. Ево како то функционише: Прво, ставите матицу у предходну рупу, а затим користите удар и умрете подешени притисак. Дие пресели лим око кракираног ораха, формирајући чврсту механичку браву у једном брзом кораку.
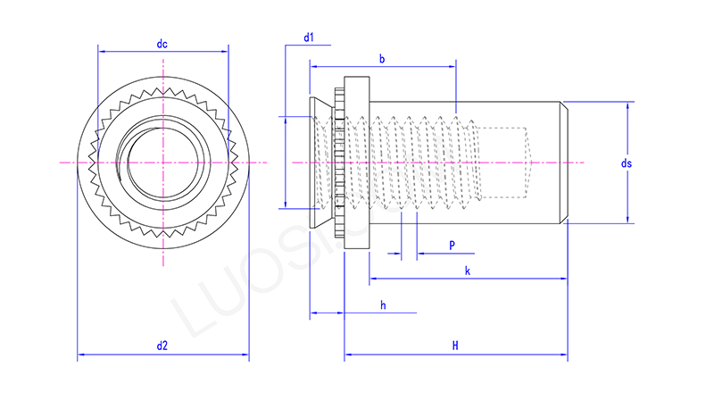
| Пон | М3-1 | М3-2 | М4-1 | М4-2 | М5-1 | М5-2 | М6-1 | М6-2 |
| P | 0.5 | 0.5 | 0.7 | 0.7 | 0.8 | 0.8 | 1 | 1 |
| ДС Мак | 3.84 | 3.84 | 5.2 | 5.2 | 6.35 | 6.35 | 8.75 | 8.75 |
| ДЦ Мак | 4.2 | 4.2 | 5.38 | 5.38 | 6.33 | 6.33 | 8.73 | 8.73 |
| Б мин | 5.3 | 5.3 | 7.1 | 7.1 | 7.1 | 7.1 | 7.8 | 7.8 |
| Х Мак | 0.91 | 1.38 | 0.97 | 1.38 | 0.97 | 1.38 | 1.38 | 1.38 |
| Х Мак | 9.85 | 9.85 | 11.45 | 11.45 | 11.45 | 11.45 | 14.55 | 14.55 |
| Х мин | 9.35 | 9.35 | 10.95 | 10.95 | 10.95 | 10.95 | 14.05 | 14.05 |
| к мак | 8.5 | 8.5 | 9.8 | 9.8 | 9.8 | 9.8 | 12.7 | 12.7 |
| Д2 Мак | 6.6 | 6.6 | 8.2 | 8.2 | 9 | 9 | 11.35 | 11.35 |
| Д2 мин | 6.1 | 6.1 | 7.7 | 7.7 | 8.5 | 8.5 | 10.85 | 10.85 |
| Д1 | М3 | М3 | М4 | М4 | М5 | М5 | М6 | М6 |
У угљеном челику заптивање клинчићих матица су дефинисани кључним мерењима: Величина навоја (попут М4, М5, М6, или 1/4 "-20), пречника оковратника, укупне висине, димензије за заптивање рубље и распон дебљине лима који раде са (и мин и мак). Можете их добити у стандардним метричким или царским нитима.
Њихова снага за оспособљавање (колико се добро описују да се гурају или искривљене) тестирају се против индустријских стандарда (мислите ИСО, ДИН, ИФИ). Бирање праве величине је велика ствар, осигурава да се заптиваче држи и матица је довољно јака за посао.
Да бисте инсталирали карбонски челични бртвив орах, потребан вам је специјализовани клини алат и подељени сет који тачно одговара величини ораха. Прво, ставите матицу у предходну рупу у лима. Затим алат примјењује контролисани притисак, због чега је орах на крову и Кнурл потонуо у околни метал. Овај поступак који хладно формира закључава матицу од нехрђајућег челика на месту за добро и истовремено, искличе уграђену печат за бртвљење против панела. Тако ствара бртву отпорно на пропуштање због које ове орахе чини јединственим.
