Кућа > Производи > Пин > Округла игла > Високо затезне клинове
        Високо затезне клинове
        • Високо затезне клиновеВисоко затезне клинове
        • Високо затезне клиновеВисоко затезне клинове

        Високо затезне клинове

        Овај клин високог затезања може се раставити и поново инсталирати више пута, што га чини корисним за поновну употребу. Можете са сигурношћу да наручите високо затезне клинове клинове од Ксиаогуо-а и добићете одлично искуство са загарантованим квалитетом.

        Пошаљи упит

        Опис производа

        Можемо да обезбедимо сертификат о инспекцији за ове клинове са високом затезношћу ако је потребно. У сертификату су наведени кључни резултати испитивања: од чега је материјал направљен, његове механичке особине попут чврстоће и тврдоће и потврђује да су све критичне димензије тачне. Такође наводи које стандарде, као што је ИСО 2341, производ испуњава.

        Сваки сертификат је за одређену производну серију и има јединствени број тако да се може пратити уназад. То је запис који показује да су игле прошле стандардне провере од материјала до готовог производа. Добијање сертификата са вашим високо затезним клиновима је опција, која је корисна за послове који захтевају формалну папирологију, било за свакодневну индустријску употребу или захтевније примене.

        High Tensile Clevis Pins

        Употреба производа

        Ова врста игле се обично користи за повезивање компоненти у машинама које захтевају ротацију или окретање. У различитој индустријској опреми, често се користи за повезивање носача, шипки или полуга. У аутомобилима и камионима, користи се за компоненте вешања, кочионе полуге, уређаје за управљање итд.

        Пољопривредна опрема као што су тракторски плугови и комбајни такође га користе. У ваздухопловству, може се користити за одређене покретне делове у системима авиона. Такође се налази на чамцима, у опреми и неким деловима мотора, јер добро остаје закључан на месту.

        У основи, високо затезне клинове игле су згодне где год вам је потребна чврста веза коју ћете можда морати да раставите касније и која може да издржи тресење и редовну употребу.

        Сесија питања и одговора

        П: Које је стандардно паковање за ваше раздвојене игле високе чврстоће?

        Одговор: Обично користимо чврсте картонске кутије за паковање игле високе чврстоће, а метода паковања је генерално подељена по величини и количини (на пример, 100 комада по кутији).

        За велике поруџбине, спаковаћемо игле високе чврстоће у главни картон и ставити их на палету како бисмо обезбедили безбедан транспорт и лако руковање.

        High Tensile Clevis Pins


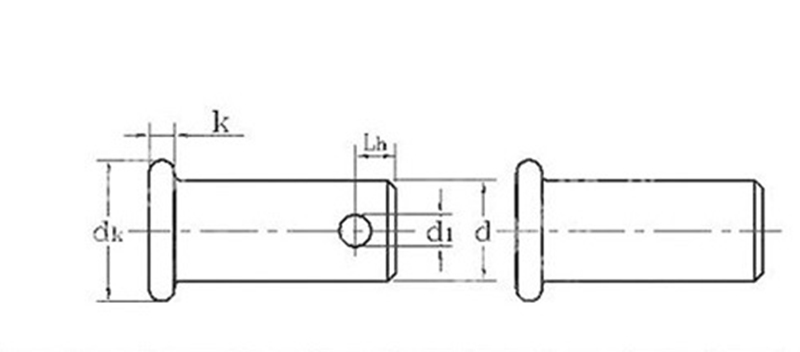
        јединица: мм
        d мак 3 4 5 6 8 10 12 14 16 18 20
        мин 2.94 3.925 4.925 5.925 7.91 9.91 11.89 13.89 15.89 17.89 19.87
        дк мак 5 6 8 10 12 14 16 18 20 22 25
        мин 4.7 5.7 7.64 9.64 11.57 13.57 15.57 17.57 19.48 21.48 24.48
        k номинаЛ 1.5 2 2.5 3 3.5 4
        мак 1.625 2.125 2.625 3.125 3.65 4.15
        мин 1.375 1.875 2.375 2.875 3.35 3.85
        д1 мин 1.6 2 3.2 4 5 5
        мак 1.74 2.14 3.38 4.18 5.18 5.18
        Лх мин 1.6 2.2 2.9 3.2 3.5 4.5 5.5 6 6 7 8




        Хот Тагс: Високо затезне клинове, Кина, произвођач, добављач, фабрика
        Повезана категорија
        Пошаљи упит
        Слободно пошаљите свој упит у форму испод. Одговорићемо вам у року од 24 сата.
        X
        Користимо колачиће да бисмо вам понудили боље искуство прегледања, анализирали саобраћај на сајту и персонализовали садржај. Коришћењем овог сајта прихватате нашу употребу колачића. Политика приватности
        Одбити Прихвати