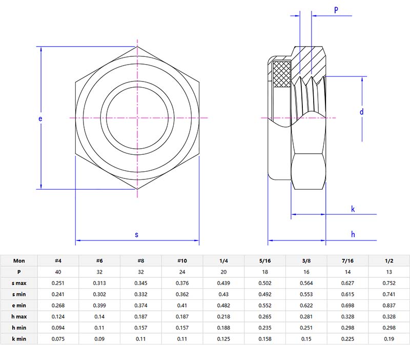
НТЕ НИЛОН Уметните Лоцк Нутје причвршћивач само-закључавања са најлонским овратником у унутрашњим навојима. Када се зајебава на вијак, најлон је закључава нити и матица се вероватно не може лако отпустити када постоји вибрација или покрет.

ТхеНТЕ НИЛОН Уметните Лоцк НутНаправљен је од материјала као што је челик поцинковано челично или нехрђајући челик, дизајниран је за машине, возила или опрему у којој је важна поузданост. За разлику од редовних орашастих орашастих плодоваНТЕ НИЛОН Уметните Лоцк НутНе захтева додатне перилице за закључавање или лепкови - он самостално закључава. Једноставно је инсталирати, поново користити (унутар граница) и ради у и индустријским подешавањима и свакодневним поправкама.
КориститиНТЕ НИЛОН Уметните Лоцк НутДа бисте осигурали делове који се тресе или крећу. Примери: причвршћивање мотоциклистичких стопала, вођење транспортних трака на месту на месту или састављање канцеларијских столица са подесивим деловима. Такође је згодно за спољну опрему попут баштенских приколица или сталак за бицикле, где могу да отпустите стандардне матице. У кућним радионицама је сјајно за причвршћивање колебаних табела или обезбеђивање компоненти електричних алата који вибрирају током употребе.
Видећете тоНТЕ НИЛОН Уметните Лоцк НутУ производњи аутомобила (носачи мотора, дијелови за вешање), ХВАЦ системи (причвршћивање оштрице вентилатора или канала) и роба широке енергије попут веш машина или бицикли за прање веша или бицикли. Такође је уобичајено у пољопривредним машинама, бициклима и монтажи електронике - било где вибрације или учестала подешавања могле би отпустити редовне матице.

| Тржиште |
Укупни приход (%) |
| Северна Америка |
14 |
| Јужна Америка |
10 |
| Источна Европа |
16 |
| Југоисточна Азија |
10 |
| Средишњи исток |
7 |
| Источна Азија |
17 |
| Западна Европа |
12 |
| Јужна Азија |
6 |
| Домаће тржиште |
8 |
КСИАОГУО® може да прилагодиНТЕ НИЛОН Уметните Лоцк Нутсна васвијци. Шестерокутни обликматицаОдговара стандардним кључу, а најлонски унутра је отпоран на хабање. Можемо пружити узорке и можете тестирати да ли бесплатни узорци задовољавају ваше потребе пре него што постављају велику поруџбину.