Природне карактеристике пластичних спојница за заковице које се шире чине га добрим за посебне, специфичне употребе. Пошто не проводи струју, заиста је важан у електричним кутијама и високонапонским подручјима. Не ствара варнице, што је заиста потребно на местима где може доћи до експлозије (АТЕКС зоне).
Такође не можете без тога у МРИ собама и осетљивој електроници, местима где чак и мала магнетна поља од металних иглица једноставно нису дозвољена.

Добре пластичне копче за проширење заковице пролазе кроз строге тестове како би се уверили да раде доследно. Ови тестови проверавају ствари као што су тачност величине, колико повлачења може да издржи, колико добро подноси ударце и да ли ради са различитим хемикалијама.
Ксиаогуо® пластичне игле се производе према индустријским стандардима коришћењем материјала који испуњавају одређене захтеве, обезбеђујући перформансе. Они безбедно и безбедно држе предмете на месту за њихову намену. У поређењу са металним игле, пластичне су отпорније на корозију и рђу.

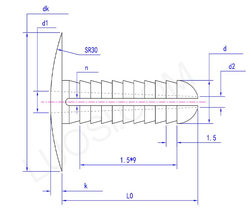
пон
Φ6
Φ8
Φ10
д мак
6
8
10
д мин
5.8
7.8
9.8
дк мак
16.2
16.2
18.2
дк мин
15.8
15.8
17.8
к мак
1.6
1.6
2.1
к мин
1.4
1.4
1.9
Л0
20
20
22
д1
3
4
5
д2
1.5
2
3
n
1
1
1.5
Наше стандардне пластичне спојнице за проширење заковице направљене су од материјала који су у складу са главним међународним прописима, укључујући РоХС и РЕАЦХ. Такође нудимо ФДА сертификоване верзије за апликације у контакту са храном. Сертификати о усклађености су доступни на захтев.
Наши материјали су пажљиво одабрани у складу са светским стандардима током производње, обезбеђујући усклађеност са релевантним стандардима квалитета и обезбеђујући сигуран извоз и широку употребу широм света.