Кућа > Производи > Матица > Отхер Нутс > Само-закључавање ораха два сидра
        Само-закључавање ораха два сидра

        Само-закључавање ораха два сидра

        КСИАОГУО® само-закључавајуће матице Два сидра Луг је орах произведен у строгом складу са Стандардом УС Аероспаце-а од 373-1991, који се користи за трајно причвршћивање у вибрирајућем окружењу. Само-закључавање орашастих плодова два сидра за луг користи се у сценаријима као што су коже и вентилатори мотора.
        Модел:AN 373-1991

        Пошаљи упит

        Опис производа



        Само-закључавање трења: Матице за самокључивање Два сидра, има најлонски прстен уграђен у унутрашњу нит (отпоран на температуру - 55 ℃ ~ 120 ℃), који ствара 20% додатног обртног момента и да је ниво босања у грицкању, а ниво босања у грицкању, а ниво против лабаве 3;

        Ограничење двоструких уха: Двоструки лукови сарађују са утором за палете да ограничи ротацију матице самог закључавања два сидра, избегавајући феномен "лажног само-закључавања" традиционалних једностраних орашастих орашастих плодова.



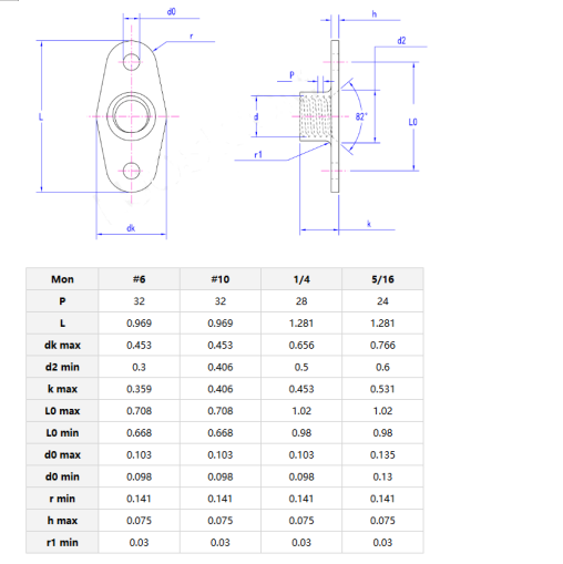
        Детаљи производа и параметри


        Матице за самокључивање Два сидра са изолационим премазом, за литијумску батерију.

        Луг само-закључавајућих орашастих сидро се подудара са зарезом потпорне плоче са тачношћу од ± 0,1 мм, подржавајући слепу инсталацију са једним рукама у слепим подручјима као што су унутрашњост крила.




        Self-locking nuts one lug

        Self-locking nuts one lug


        Дистрибуција тржишта

        Тржиште
        Приход (претходна година)
        Укупни приход (%)
        Северна Америка
        Поверљив
        21
        Јужна Америка
        Поверљив 3
        Источна Европа
        Поверљив
        20
        Југоисточна Азија
        Поверљив
        3
        Океанија
        Поверљив
        2
        Средишњи исток
        Поверљив
        5
        Источна Азија
        Поверљив
        15
        Западна Европа
        Поверљив
        13
        Централна Америка
        Поверљив
        5
        Северна Европа
        Поверљив
        2
        Јужна Европа
        Поверљив
        1
        Јужна Азија
        Поверљив
        5

        Домаће тржиште

        Поверљив
        5


        Индустрија за коју је производ применљив


        Војна опрема: прикључак ракета, склопиви склопиве дрона, механизам за самокључивање на самокључивање Два сидра, испуњава захтеве за борбу против лабаве ГЈБ 1217А-2017.

        Аероспаце: Авион Фуселаге Веза за кожу (више од 2.000 комада по Ц919), фиксацији цевовода ракете;

        Железнички превоз: Хигх-брзи железничарско причвршћивање, подземне шарке за подземне железнице, да би се носила са вибрацијом високе фреквенције 30Хз;

        Нова енергетска возила: литијумска причвршћивање кутије за батерију;



        Хот Тагс: Само-закључавање орашастих двоструких сидра, Кина, произвођача, добављача, фабрика
        Повезана категорија
        Пошаљи упит
        Слободно пошаљите свој упит у форму испод. Одговорићемо вам у року од 24 сата.
        X
        Користимо колачиће да бисмо вам понудили боље искуство прегледања, анализирали саобраћај на сајту и персонализовали садржај. Коришћењем овог сајта прихватате нашу употребу колачића. Политика приватности
        Одбити Прихвати