Кућа > Производи > Болт > Сидриште > Вијци за сидро квадратне главе
        Вијци за сидро квадратне главе
        • Вијци за сидро квадратне главеВијци за сидро квадратне главе
        • Вијци за сидро квадратне главеВијци за сидро квадратне главе
        • Вијци за сидро квадратне главеВијци за сидро квадратне главе

        Вијци за сидро квадратне главе

        Вијци за сидра квадратних глава имају квадратну главу са квадратним вратима повезаним на главу на дну и навојни структура на другом крају. Вијци произведени КСИАОГУО® Фабрика су погодни за мале пројекте и изградњу великих и великих чврстих материјала и могу се користити добро бетонским и другим чврстим материјалима.
        Модел:BS 7419-1991

        Пошаљи упит

        Опис производа

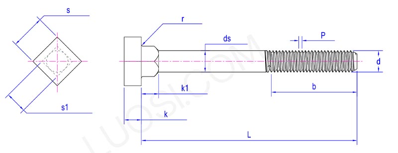
        Глава вијка за сидра квадратних глава квадратних глава је квадратна, па је и врат. Дизајн квадратних глава пружа велики контактни простор за кључ, обезбеђујући стабилнију примену силе. Посебно је практичан у сценаријима који захтевају јак обртни момент и мере против клизања.

        Параметри производа

        square head square neck anchor bolts parameter

        Пон
        М16
        М20
        М24
        М30
        М36
        М42
        М48
        М56
        М64
        P
        2 2.5 3 3.5 4 4.5 5 5.5 6
        б мак
        122 127.5 133 140.5 148 155.5 163 172.5 182
        Б мин
        116 120 124 130 136 142 148 156 164
        ДС Мак
        16.7 20.84 24.84 30.84 37 43 49 57.2 65.2
        Дс мин
        15.3 19.16 23.16 29.16 35 41 47 54.8 62.8
        К мин
        9.25 11.6 14.1 17.65 21.45 24.95 28.95 33.75 38.75
        к мак
        10.75 13.4 15.9 19.75 23.55 27.05 31.05 36.25 41.25
        Р мин
        0.6 0.8 0.8 1 1 1.2 1.6 2 2
        с мак
        24 30 36 46 55 65 75 85 95
        С мин
        23.16 29.16 35 45 53.8 63.1 73.1 82.8 92.8
        К1 мин
        7.25 9.25 11.1 14.1 17.1 19.95 22.95 26.95 30.75
        К1 Мак
        8.75 10.75 12.9 15.9 18.9 22.05 25.05 29.05 33.25
        С1 Мак
        16.7 20.84 24.84 30.84 37 43 49 57.2 65.2
        С1 мин
        15.3 19.16 23.16 29.16 35 41 47 54.8 62.8

        Функције производа

        Скуаре квадратни вијци за сидро, односе се на чврсте вијке уграђене пре бетона учвршћења. Након канденција бетона, квадратни врат ће закључативијциПостојећи да их спречи да се ротирају када се касније затегну ораси. Они су темељи који директно сидрирају тешке предмете као што су стубови, машине или структурни челик до бетонске темеље.

        Сидрачке вијке су чврсто постављене. Када стегнете орах, квадратни врат ће се чврсто стегнути у инсталираном материјалу, као што је бетон или дрво, како би се спречило да се вијак ротира уз орах. На овај начин, фиксни објект може чврсто остати на месту и неће се лако протрести или помакнути.

        Инсталација овог метричког вијка сидра врши се током процеса изливања бетона. Можете да користите шаблоне или учвршћења да их поставите, пазећи да се навојни крајеви суочавају према горе. Кључни корак је да умањује део квадратног врата у влажни бетон. Као бетон учвршћује око квадратног врата, чврсто ће схватити квадратни врат. Након тога, само требате да ставите предмет на вијак, а затим затегните матицу на изложену нит.

        Вијци за сидро квадратних глава су отпорни на ударце. Будући да су вијци физички закључани у бетон очврснутим материјалом који окружује квадратни врат, оне су мање вјероватно да ће отпустити због вибрација или покрета. То им омогућава поуздано сидро вибрирајуће машине или структуре подложне динамичким оптерећењима као што су ветар или саобраћај.


        Хот Тагс: Скуаре Хеад Скуаре Скуаре Сидрени вијци, Кина, Произвођач, Добављач, Фабрика
        Повезана категорија
        Пошаљи упит
        Слободно пошаљите свој упит у форму испод. Одговорићемо вам у року од 24 сата.
        X
        Користимо колачиће да бисмо вам понудили боље искуство прегледања, анализирали саобраћај на сајту и персонализовали садржај. Коришћењем овог сајта прихватате нашу употребу колачића. Политика приватности
        Одбити Прихвати