Кућа > Производи > Матице за заваривање > Велдед Нут > Навртке за заваривање типа Т са типом 1А
        Навртке за заваривање типа Т са типом 1А
        • Навртке за заваривање типа Т са типом 1АНавртке за заваривање типа Т са типом 1А
        • Навртке за заваривање типа Т са типом 1АНавртке за заваривање типа Т са типом 1А

        Навртке за заваривање типа Т са типом 1А

        Навртке за заваривање типа Т типа 1А су посебно дизајниране за заваривање метала и усклађене су са спецификацијом 1А, обезбеђујући чврсто приањање. Погодан за металне оквире, носаче или механичку опрему, дизајн у облику слова Т помаже у уштеди простора. Фабрика Ксиаогуо® има велику количину робе на залихама. Такође можемо прилагодити и обезбедити производе који задовољавају специфичне потребе.
        Модел:JIS B1196-3.1-2001

        Пошаљи упит

        Опис производа

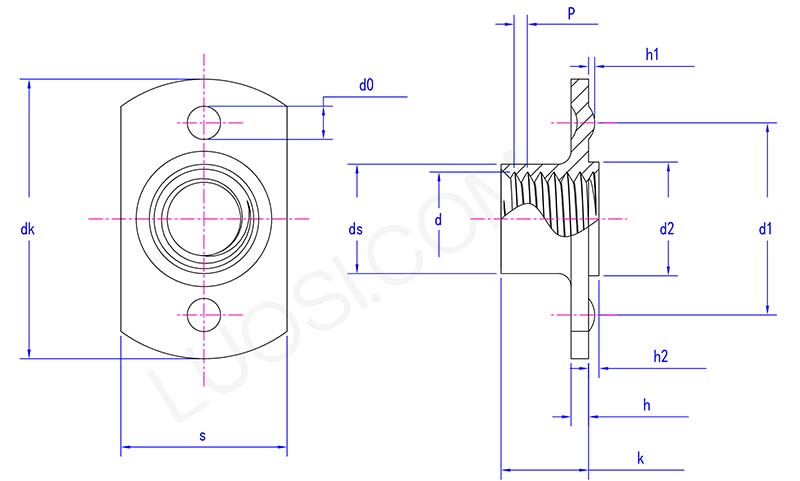
        Заварене матице типа Т типа 1А имају облик који подсећа на слово "Т", са цилиндричним делом са навојем на дну. На прирубници се налази неколико малих избочина, које су посебно дизајниране за заваривање. Спецификације заједничке нити се крећу од М4 до М12.

        Параметри производа

        T style weld nuts with type 1A parameter

        пон
        М4 М5 М6 М8 М10 М12
        P
        0.7 0.8 1 1|1.25 1.25|1.5 1,25|1,75
        дк мак
        20.5 20.5 23.7 23.7 31 33.2
        дк мин
        19.5 19.5 22.3 22.3 29 30.8
        с мак
        12.25 12.25 14.3 14.3 19.4 21.5
        с мин
        11.75 11.75 13.7 13.7 18.6 20.5
        дс мак
        5.9 6.7 8.3 10.2 13.2 15.2
        дс мин
        5.4 6.2 7.8 9.5 12.5 14.5
        к мак
        5.9 6.9 7.5 9 10.6 11.8
        к мин
        5.1 6.1 6.5 8 9.4 10.2
        х мак
        1.4 1.4 1.85 1.85 2.3 2.3
        х мин
        1 1 1.35 1.35 1.7 1.7
        д2 мак
        6.9 6.9 8.9 10.9 12.9 14.9
        д2 мин
        6.7
        6.7
        8.7
        10.7
        12.7
        14.7
        х2 мак
        0.8 0.8
        0.8
        0.8
        1.2 1.2
        х2 мин
        0.6 0.6
        0.6
        0.6
        1 1
        д0 мак
        3.25 3.25
        3.25
        3.25
        4.05 4.05
        д0 мин
        2.75 2.75
        2.75
        2.75
        3.55 3.55
        х1 мак
        0.6 0.6
        0.6
        0.6
        0.7 0.7
        х1 мин
        0.4 0.4
        0.4
        0.4
        0.5
        0.5
        д1 мак
        15.2 15.2
        17.25 17.25 22.3 24.3
        д1 мин
        14.8 14.8 16.75 16.75 21.7 23.7

        Карактеристике производа и инсталација

        Заварене матице типа Т типа 1А имају препознатљиву структуру у облику слова Т. Прирубница може повећати контактну површину са металном плочом, дистрибуирати притисак и учинити заваривање сигурнијим. Величина и висина избочина за заваривање на прирубници су исте, а загревање је уједначено током процеса заваривања. Његова прецизност навоја је висока. Када се завртањ заврти, делује веома глатко без икаквог заглављивања или отпуштања.

        T style weld nuts with type 1A

        Навртке за заваривање типа 1А су назване по свом облику: тело шестоугаоне матице је ексцентрично постављено на правоугаону основну плочу (прирубницу). Тип 1А означава да је дизајниран за електролучно заваривање (МИГ или ТИГ) око ивице прирубнице. Дизајн 'Т' облика омогућава вам да поставите рупе са навојем на жељену локацију, чак и близу ивице где се централна матица не може уградити, а то се може лако постићи.

        Монтажа навртки за заваривање типа Т типа 1А подразумева заваривање по ободу правоугаоне прирубнице. Основа матице типа 1А је равна и нема рупа или избочина. Можете користити МИГ или ТИГ да направите континуалне заварене перле дуж ивице прирубнице. Добра укупна фузија је кључна јер је то једини начин да се прирубница поправи. Молимо вас да претходно добро очистите метал.

        Заварене матице типа 1А Т су скупље од обичнихквадратне матице. Мораћете да платите облик обраде прирубнице и додатне материјале. Такође им је потребно више времена да се правилно заваре око прирубнице. Нарочито када положај конца треба да се помери, користите их; иначе, стандардни ораси могу бити јефтинији.

        Хот Тагс: Навртке за заваривање типа Т са типом 1А, Кина, произвођач, добављач, фабрика
        Повезана категорија
        Пошаљи упит
        Слободно пошаљите свој упит у форму испод. Одговорићемо вам у року од 24 сата.
        X
        Користимо колачиће да бисмо вам понудили боље искуство прегледања, анализирали саобраћај на сајту и персонализовали садржај. Коришћењем овог сајта прихватате нашу употребу колачића. Политика приватности
        Одбити Прихвати