Кућа > Производи > Матица > Ханд Сцрев Тхе Нут > Навртка за ваљање црног никла
        Навртка за ваљање црног никла
        • Навртка за ваљање црног никлаНавртка за ваљање црног никла
        • Навртка за ваљање црног никлаНавртка за ваљање црног никла

        Навртка за ваљање црног никла

        Извор издржљиве црне никловане матице за ваљање директно. Као водећа кинеска фабрика црних никлованих роластих матица, КСИАО ГУО производи матице са рециркулацијским кугличним лежајевима за минимално трење, дуг век и високу носивост.

        Пошаљи упит

        Опис производа

        Најчешћи избор је навртка за ваљање црног никла направљена од угљеничног челика.. Довољно је јака за редовне послове са лимом, попут монтаже намештаја или поправке мале опреме. Већина оних од угљеничног челика има поцинковану превлаку да задржи рђу, што добро функционише за унутрашњу употребу или покривена места на отвореном.

        За влажна окружења или употребу на отвореном, нерђајући челик је боља опција. Отпоран је на влагу и корозију, чак иу благо сланим подручјима у близини обале. Имамо и алуминијумске верзије за лаке потребе—углавном се користе у електроници, где тешки делови могу утицати на перформансе уређаја.

        Сви материјали испуњавају основне индустријске стандарде, без додатних непотребних третмана. Изаберите угљенични челик за свакодневне задатке, нерђајући челик за влажна места и алуминијум за лаке послове. Опције материјала за роло навртке са црним никлом покривају најчешће потребе за монтажом, без фенси додатака, само практични избор.


        Површинска обрада производа

        Поцинковање је најчешћа опција. То је основни процес који помаже у спречавању рђе, добар за унутрашњу употребу или покривена места на отвореном. Не додаје додатну дебљину, тако да неће утицати на то како се матица уклапа у отвор за лим током уградње. Већина орашастих плодова за свакодневну употребу долази са овим третманом.

        За бољу отпорност на корозију, постоји топло цинковање. Дебљи је од обичне поцинковане плоче, тако да се дуже задржава у влажним подручјима или на местима са малом влагом, као што су радионице у близини обале. За матице од нерђајућег челика радимо третман пасивације—то само повећава њихову природну способност отпорности на рђу без промене њиховог изгледа.

        Овде нема фенси премаза, само практични. Изаберите цинк за стандардне потребе, топло цинковање за влажне средине и пасивизацију за моделе од нерђајућег челика. Површински третмани црних никлованих роластих матица односе се на основну заштиту, прилагођавајући се најчешћим сценаријима монтаже лимова.

        Black Nickel Plating Rolling Nut

        Сесија питања и одговора

        П: Могу ли га инсталирати без професионалних алата?

        О: Не, потребан вам је основни алат за пресовање или мала машина за закивање. Ручно ударање чекићем се не препоручује; оштетиће навоје матице или је олабавити. За мале серије ради ручни ручни алат за пресовање. За велике наруџбине, аутоматска машина за пресовање је ефикаснија. Такође можемо препоручити моделе алата који одговарају нашим производима ако још увек немате прави.  

        Black Nickel Plating Rolling Nut



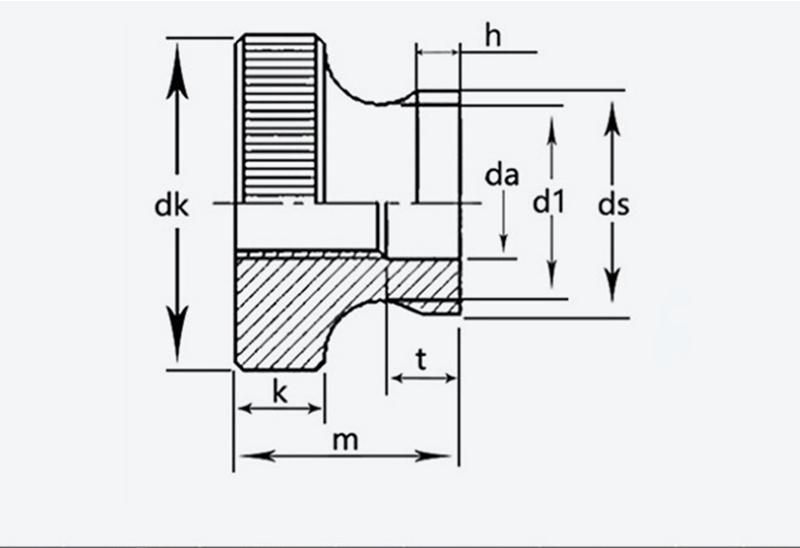
        величина Питцх Спољни пречник Висина k дс да д1 T h
        мак мин мак мин мак мин мак мин мак
        М3 0.5  11  10.7  6.64  2.8  5.7  3.5  3.2  5.2  1.2 
        М4 0.7  12  11.7  7.64  7.64  4.5  4.2  6.4  2.5  1.5 
        М5 0.8  16  15.7  10  96.6  10  9.64  5.5  5.5 
        М6 20  19.7  12  11.6  12  11.6  6.56  6.2  11  2.5 
        М8 1.25  24  23.7  16  15.6  16  15.6  8.86  8.5  13 
        М10 1.5 30 29.7 20 19.5 8 20 19.5 10.9 10.5 17.2 6.5 3.8
        Хот Тагс: Навртка за ваљање црног никла, Кина, произвођач, добављач, фабрика
        Повезана категорија
        Пошаљи упит
        Слободно пошаљите свој упит у форму испод. Одговорићемо вам у року од 24 сата.
        X
        Користимо колачиће да бисмо вам понудили боље искуство прегледања, анализирали саобраћај на сајту и персонализовали садржај. Коришћењем овог сајта прихватате нашу употребу колачића. Политика приватности
        Одбити Прихвати