Кућа > Производи > Матица > Ханд Сцрев Тхе Нут > Округла дугмад са навртком за окретање
      Округла дугмад са навртком за окретање
      • Округла дугмад са навртком за окретањеОкругла дугмад са навртком за окретање
      • Округла дугмад са навртком за окретањеОкругла дугмад са навртком за окретање

      Округла дугмад са навртком за окретање

      За прецизно линеарно кретање, изаберите КСИАО ГУО напредне округле дугмад са навртком за окретање. Дизајниран за кугличне завртње, обезбеђује глатко, високо ефикасно кретање, што нас чини поузданим кинеским добављачем округлих квачица са навртком за котрљање за ЦНЦ и системе аутоматизације.

      Пошаљи упит

      Опис производа

      Прво, избушите рупу у лиму која одговара округлим дугмадима са величином матице. Не правите рупу превеликом - иначе се неће правилно закључати. Очистите све металне струготине које су остале у рупи; могу стати на путу инсталације.

      Затим ставите матицу у претходно избушену рупу, пазећи да лежи равно уз плочу. Користите стандардни алат за пресовање са матрицом која одговара врху матице. Нанесите сталан, уједначен притисак на алат – осетићете благи „клик“ када је закључан на месту. Задржите притисак 1-2 секунде да бисте били сигурни да је сигуран.

      Избегавајте употребу удараца чекићем; ово може савијати матицу или оштетити лим. Најбоље ради на танким до средњим лимовима (дебљине 0,5-2 мм). Једном инсталиран, можете глатко зашрафити вијак без окретања матице. Округла дугмад са навртком која се окреће је лака за употребу чак и за почетнике, нису потребне компликоване вештине.

      Паковање производа

      Користимо једноставну, практичну амбалажу да би ораси били сигурни. За мале поруџбине или узорке, они се пакују у прозирне пластичне кесе - обично 100 или 200 комада по врећици. Свака торба има основну етикету са величином, материјалом и бројем серије, тако да можете лако да пронађете оно што вам треба.

      Поруџбине на велико иду у чврсте картоне. У зависности од величине матице, сваки картон садржи 5000 до 10000 комада. Унутра стављамо пену или фолију са мехурићима да спречимо да се гребају или померају током транспорта. Картони имају јасне ознаке за руковање, као што су „одржавати сувим“ или „без слагања тешких ствари“.

      Ако вам је потребно прилагођено паковање—као што је ваш лого на кесама или одређена количина по паковању—само нас обавестите приликом наручивања. Без додатних фенси ствари, само оно што ради за складиштење и отпрему. Долази у овим стандардним опцијама, које одговарају већини малих радионица, великих фабрика или потребама „уради сам“ корисника.

      Round Knobs With Collar Rolling Nut

      Сесија питања и одговора

      Која је дебљина лима погодна за округле дугмад са навртком?  

      О: Најбоље ради на танким до средњим лимовима, са опсегом дебљине од 0,5 мм до 2,5 мм. Превише дебео метал неће дозволити да се правилно закључа, а превише танак може да се деформише током инсталације. Уобичајени материјали као што су хладно ваљани челик, алуминијум и лимови од нерђајућег челика су у реду. Само се уверите да величина претходно избушене рупе одговара спољашњем пречнику матице - можемо обезбедити табелу величина ако вам је потребна за референцу.  

      Round Knobs With Collar Rolling Nut

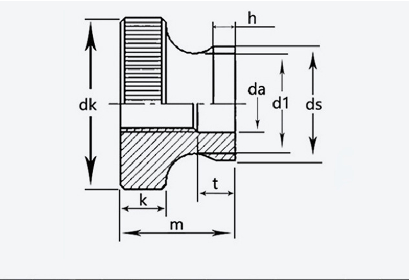
      величина Питцх Спољни пречник Висина k дс да д1 T h
      мак мин мак мин мак мин мак мин мак
      М3 0.5  11  10.7  6.64  2.8  5.7  3.5  3.2  5.2  1.2 
      М4 0.7  12  11.7  7.64  7.64  4.5  4.2  6.4  2.5  1.5 
      М5 0.8  16  15.7  10  96.6  10  9.64  5.5  5.5 
      М6 20  19.7  12  11.6  12  11.6  6.56  6.2  11  2.5 
      М8 1.25  24  23.7  16  15.6  16  15.6  8.86  8.5  13 
      М10 1.5 30 29.7 20 19.5 8 20 19.5 10.9 10.5 17.2 6.5 3.8
      Хот Тагс: Округле дугмад са навртком за котрљање, Кина, произвођач, добављач, фабрика
      Повезана категорија
      Пошаљи упит
      Слободно пошаљите свој упит у форму испод. Одговорићемо вам у року од 24 сата.
      X
      We use cookies to offer you a better browsing experience, analyze site traffic and personalize content. By using this site, you agree to our use of cookies. Privacy Policy
      Reject Accept