Вијак за заваривање високог чврстоћа са високом чврстоћом је посебна врста учвршћења направљеног да се снажно и лако повезује металним листовима или структурама. Има пројекције - обично прстење или мале ударце на боку која додирује метал, а то се праве прецизним величинама.
Када га заварите, пуно електричне струје се фокусира на ове пројекције. Због тога се метал тамо постаје стварно вруће, растопити, а онда када се охлади, формира снажно заваривање. Ово заваривање држи високу чврстоћу за заваривање за заваривање чврстог заваривања на комаду на којем радите.
Главни посао за заваривање Вијак за заваривање високе чврстоће је да се створи трајни, навојној тачки везаности који може да држи тежину. Потребна вам је посебна опрема за заваривање за заваривање за заваривање.
Електроде притисните и пошаљите пуно електричне енергије кроз пројекције Болта и метални комад са којим радите. Начин на који је направљен вијак за заваривање значи само пројекције топили - ништа више. Кад се охладе, формирају снажну металну везу, а метал око њега не постаје се савијен или много искривио.
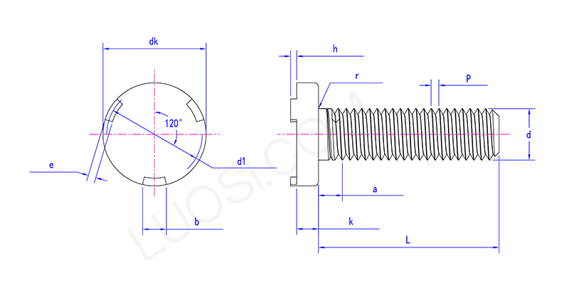
| Пон | М5 | М6 | М8 | М10 |
| P | 0.8 | 1 | 1.25 | 5 |
| ДК Мак | 12.4 | 14.4 | 16.4 | 20.4 |
| Дк мин | 11.6 | 13.6 | 15.6 | 19.6 |
| к мак | 2 | 2.2 | 3.2 | 4.2 |
| К мин | 1.6 | 1.8 | 3.2 | 4.2 |
| и мак | 2.25 | 2.75 | 2.25 | 2.75 |
| Е мин | 1.75 | 2.25 | 1.75 | 2.25 |
| б мак | 3.3 | 4.3 | 5.3 | 6.3 |
| Б мин | 2.7 | 3.7 | 4.7 | 5.7 |
| Х Мак | 0.8 | 0.9 | 1.1 | 1.3 |
| Х мин | 0.6 | 0.75 | 0.9 | 1.1 |
| Д1 Мак | 10 | 11.5 | 14 | 17.5 |
| Д1 мин | 9 | 10.5 | 13 | 16.5 |
| Р мин | 0.2 | 0.25 | 0.4 | 0.4 |
| р мак | 0.6 | 0.7 | 0.9 | 1.2 |
| мак | 3.2 | 4 | 5 | 5 |

Вијак за заваривање високе чврстоће са високом чврстоћом има мало подигнутих делова - обично прстенов или малих удубљења - са заварене. Када га заварите, пуно електричне енергије се фокусира на оне подигнуте делове. Одмах се растопију на базни метал, док електрода притиска.
То чини снажно, уски завари који држе вијак на месту добро. Одлично раде за послове лима.