Да се бори против хрђе и истрошене,вијак за очи добити посебне премазе или третмане. У угљеном челику често добијају вруће поцинчавање - умочене су у вруће цинк да би додали заштитни слој, који одлично функционише за спољни или влажни окружења. Електроплатирање формира танки заштитни слој који је обично довољан за у затвореном простору. Нехрђајући челик је инхерентно има одлична својства превенције рђе. Међутим, и додатни кораци обраде такође се изводе да би се додатно побољшало отпорност на рђу. Прашкачки премаз делује као заштитни слој, не само да пружа атрактивнији изглед, већ и заштиту од изложености сунчеве светлости. Ове методе лечења помажу им да се користе дуже време и остају чврсте чак и под оштрим условима.

Вијак за очиПонудите заиста чврсту мешавину чврстоће, флексибилности и безбедности. Њихов дизајн ради за равна оптерећења за подизање или угао и са различитим материјалима и премазима, они одговарају свим врстама ситуација. Без обзира да ли радите мали пројекат или велики индустријски посао, поуздани су за сидрење ствари. Сертификати значе да су квалитетни и имају различите величине значи да можете добити оно што вам треба без пренапошавање. Будући да су добро направљени и фокусирати се на чување корисничких корисника, вијци су врхунски одабир за предности свуда - балансирају се да су прилично добро и дуготрајно.

П: Урадите својевијаци за очиПридржавајте се међународних безбедносних сертификата?
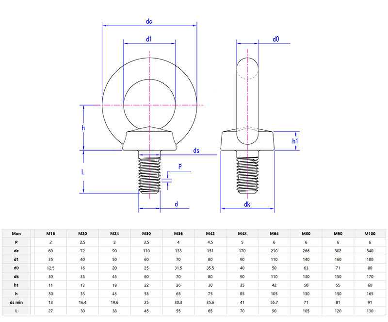
О: Да, наш производ испуњава ЦЕ, ОСХА и ИСО 17025 стандардима и можемо да пружимо тестне сертификате ако их тражите. Радимо темељито провјере квалитета, укључујући тестирање оптерећења, проверавање материне и осигуравајући да су величине исправне. Додајемо прилагођене етикете (попут ВЛЛ и серијских бројева) како бисте их лако могли пратити.
За тржиште ЕУ, нашевијаци за очиПодржани правила у Директиви о машинама 2006/42 / ЕЗ и имамо РоХС компатибилне премазе за пројекте еколошким прописима. Радите са нама за овјерени вијци који су спремни за ревизије и испуњавају посебне потребе усаглашености у вашем региону.