Профил завртња
        • Профил завртњаПрофил завртња
        • Профил завртњаПрофил завртња
        • Профил завртњаПрофил завртња

        Профил завртња

        Профил фисх болт Профил фисх болд произведен у фабрици Ксиаогуо® је прошао прецизну обраду. Сви производни процеси су подвргнути строгим инспекцијама. Према стандарду АС 1085.4-2002, не морате да бринете о квалитету производа. Нудимо бесплатне узорке за тестирање.
        Модел:ASME/ANSI B18.10-1-2006

        Пошаљи упит

        Опис производа

        ТхеПрофил завртњасе углавном користи за спајање рибљих плоча на прузи, омогућавајући да се два дела железничке шине чврсто споје и формирају дугачку пругу. Можемо производити у складу са различитим међународним стандардима, као што су БС, АСТМ, ДИН и други стандарди.

        Детаљи о производу

        Постоји неколико облика главе завртња, као што су округла глава, квадратна глава и шестоугаона глава. Његов вијчани део има навој, а спецификације величине су веома разноврсне. Пречник се углавном креће од М10 до М24, а дужина такође може да се креће од десетина милиметара до преко сто милиметара. Уобичајени материјали укључују угљенични челик, као што су челик К235 и 45#, као и нерђајући челик.

        ТхеПрофил завртњакористи се у железничкој индустрији. Приликом полагања железничких колосека користе се за повезивање делова шина један за другим. Сваког дана пруге пролазе поред бројних брзих и тешких возова, који стварају значајне вибрације и притисак. Завртње може чврсто да закључа шинске спојеве који обезбеђују стабилност колосека и омогућавају да воз вози безбедно и глатко. Било да се ради о теретној железници за даљински превоз или о брзој и обичној железници за превоз путника, нико од њих не може без ње.

        Fish bolt profile

        Место продаје производа

        ТхеПрофил завртњавеза је и чврста и практична. Може чврсто поправити спојеве железничких шина. Када воз вози, шине се неће лако померати или олабавити. Поред тога, има велику свестраност и може се користити у тешким железницама, лаким шинама и неким пругама у индустрији.

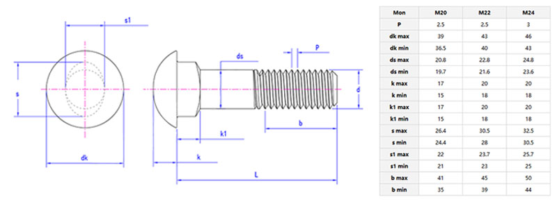
        Параметри производа

        Fish bolt profile


        Паковање производа

        Паковање Фисх Болт профила је направљено за практично складиштење и транспорт. Свака серија се прво сортира по величини, а затим пакује у дебеле пластичне кесе са 50 или 100 комада по врећици. Кесе су добро запечаћене како би се спречила прашина и влага, избегавајући рђу или оштећење конца. Ове мале кесе се затим стављају у валовите картоне. Сваки картон има етикету са основним подацима: величина, количина, датум производње и број серије. За наруџбине на велико, картони се слажу на дрвене палете и фиксирају челичним тракама како би се спречило померање током транзита. Овај метод паковања је једноставан за руковање, било за складиштење у складишту или употребу на лицу места. Такође помаже у брзим проверама залиха и испуњавању поруџбина за домаће и међународне пошиљке.


        Сесија питања и одговора

        П: Које стандардне спецификације има профил Фисх болт?

        О: Профил рибљег вијака углавном прати међународне стандарде за причвршћивање за железницу као што су ДИН и ИСО. Уобичајене спецификације укључују пречник дршке од 16 мм до 30 мм и дужину од 80 мм до 200 мм. Ови параметри су прилагођени за спајање шина и прагова. Можемо да обезбедимо табелу са детаљним спецификацијама, а прилагођени профил Фисх болт је такође доступан на основу ваших специфичних захтева железничког пројекта.  



        Хот Тагс: Профил за сидове за рибу, Кина, произвођач, добављач, фабрика
        Повезана категорија
        Пошаљи упит
        Слободно пошаљите свој упит у форму испод. Одговорићемо вам у року од 24 сата.
        X
        Користимо колачиће да бисмо вам понудили боље искуство прегледања, анализирали саобраћај на сајту и персонализовали садржај. Коришћењем овог сајта прихватате нашу употребу колачића. Политика приватности
        Одбити Прихвати