Ковани вијак за окосу јаки причвршћивачи који се користе за подизање, монтирање и сидрење. На једном крају имају округлу петљу "ока", а на другом осовину са навојем. Они вам омогућавају да безбедно причврстите каблове, ужад или ланце. Направљени су да подносе и покретна и стационарна оптерећења. Видећете их много у грађевинарству, поморском раду и логистици.
Постоје различити типови, као што су завртњи за рамена, машински вијци и ушице за завртње. Сваки тип ради за различите величине оптерећења и окружења. Њихов дизајн је чврст и поуздан, што их чини важним за безбедно и добро функционисање у индустријским окружењима.
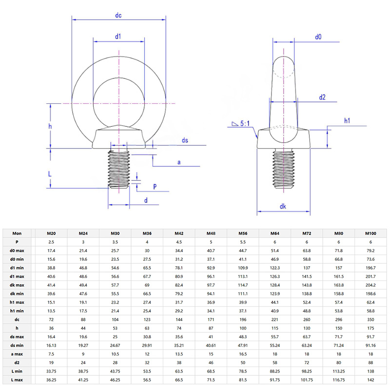
Ковани вијак за окодолазе у величинама навоја у распону од М6 па све до М48, и оцењени су за оптерећења од 50 кг до преко 20 тона. Ако користите оне са раменима, само запамтите – морате их заврнути до краја да бисте постигли максималну тежину. Сцрев еиес? То су боље за лакше послове. Увек проверите да ли имају сертификате као што су ДИН, ИСО или АСТМ - тако знате да су легитимни.
Ствари попут величине ока, дужине дршке и размака навоја зависе од вашег посла, па унакрсно проверите табеле тежине да бисте избегли неслагања. Треба вам нешто чудно за посебан пројекат? Неки добављачи ће чак прилагодити величине или нити за вас. Само не прескачите детаље приликом наручивања.

П: Која је ваша максимална тежинаковани вијак за око, и како се одређује?
О: Колико тежине може да издржи заиста се своди на три ствари: од чега је направљен, колико је дебео и начин на који је изграђен. Узмите, на пример, коване од угљеничног челика - тврђе су од штанцаних или савијених верзија и могу да поднесу било где од 0,25 тона до 11 тона. Ограничење радног оптерећења (ВЛЛ) – то је максимална безбедна тежина коју могу да поднесу – утврђује се коришћењем правила као што су АСМЕ Б30.26 или ДИН 580. Ова правила су уграђена у сигурносни јастук, обично у односу 4:1 или 5:1, тако да су много јача него што број сугерише. У суштини, ако је оцењен за 1 тону, заправо је направљен да издржи 4 или 5 тона пре него што било шта крене у страну.