Дакле, када гледате завртње Лифт Ассуред Еие, видећете да долазе у неколико уобичајених материјала, а одабир правог заиста зависи само од вашег конкретног посла. Најчешћи тип који ћете видети је угљенични челик. То је општи избор за свакодневне задатке дизања који не укључују никакве посебне услове. Да би се спречила рђа, ови вијци од угљеничног челика обично имају поцинковану превлаку, која им даје онај сребрнасти, благо сјајни изглед.
Затим ту је нерђајући челик. Ово бисте желели да користите ако радите на местима где ствари могу постати влажне или корозивне, на пример у близини океана или у хемијским постројењима. Најчешћи разреди су 304 и 316, при чему је 316 мало тежи за заиста оштра подешавања. С друге стране, ако подижете заиста тешка терета, мораћете да пређете на ковани челик од легираног челика. Овај материјал је посебно направљен да поднесе много веће захтеве за чврстоћом, тако да је много чвршћи од вашег стандардног угљеничног челика.
Када набавите Лифт Ассуред Еие вијак, приметићете да често имају различите завршне обраде. Ово није само због изгледа; ови површински третмани се заиста односе на то да вијак траје дуже и да се бори против рђе, што је веома важно за сигурност и издржљивост.

Стварно уобичајена метода коју ћете видети је галванизација. Овде стављају танак слој нечега попут цинка или никла на челик. Пружа вам пристојну основну заштиту од корозије и такође чини да вијак изгледа мало светлије. Али ако вам је потребно нешто чвршће за сурово окружење, као што је на отвореном на градилишту или у влажном морском подручју, требало би да потражите вруће поцинковане вијке. Овај процес ствара много дебљи премаз који је много робуснији и може да се носи са много више злоупотребе током времена.
Постоје и друге опције. На пример, црни оксид је третман који оставља завртње тамним, нерефлектујућим завршетком. Пружа одређену отпорност на рђу, али се често бира више због свог изгледа и смањења одсјаја светлости. А за вијке од нерђајућег челика често користе процес који се зове пасивација. Ово може звучати компликовано, али то је у основи хемијска купка која помаже у чишћењу и јачању природног заштитног слоја на нерђајућем челику, повећавајући његову способност да се одупре рђи.
Питање: Да ли ваш Лифт Ассуред Еие вијак долази са сертификатом? Да, можемо вам дати сертификат о тестирању завртња са Лифт Ассуред Еие. Доказује да завртње са оком испуњава стандарде као што је АСМЕ Б18.15 и потврђује од ког материјала је направљено и његове механичке особине.
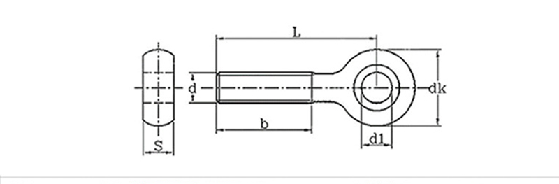
|
мм |
|||
|
Пречник навоја |
д1 |
дк |
s |
|
М6 |
5 |
10.5 |
5.4 |
|
М8 |
6 | 13 | 7 |
|
М10 |
8 | 16 | 8.5 |
|
М12 |
10 | 19 | 10.5 |