Квадратни бочни вијак
      • Квадратни бочни вијакКвадратни бочни вијак
      • Квадратни бочни вијакКвадратни бочни вијак

      Квадратни бочни вијак

      Квадратни бочни вијак за главу може омогућити глави вијке да потоне на површину инсталације, обезбедило је глатку и лепу површину, а избегавајући избочине и избочине, чинећи их погодним за пригоде које захтевају изглед и сигурност. Ако вам је потребна равна површина, можете изабрати КСИАОГУО® овај вијак. Глава са гробнице омогућава да се вијак не сме глатко на површину. Производимо вијке различитих величина и на складишту су. Можете нас контактирати у било које време за упите.
      Модел:MS 9397-2000

      Пошаљи упит

      Опис производа

      Глава аКвадратни бочни вијакје квадрат и има пива који може потпуно потонути у рупу од грознице материјала на који се придружио. На овај начин, глава вијка неће стрћи и површина ће бити ласкава. Ако следите лепоту, можете их одабрати.


      Детаљи производа и параметри

      Можете да користитеКвадратни бочни вијаку индустрији производње намештаја. Могу се користити за прављење стола, врата ормара итд. Могу да сакрију вијке. Након затегнуте, површина је глатка и не утиче на општи изглед намештаја. Такође се не осећају непријатно када су додирнути.


      Кључ за вијак има велику контактну површину и мања је вероватноћа да ће исклизнути када је затегнуто, што је олакшало оператив од округле вијак за главу. Чак и они са мало снаге могу затегнути вијке. Пре уградње мора бити избушена рупа са уграђеним бојом. ПослеКвадратни бочни вијакСјајно је, глава је у потпуности убачена у рупу и исперити површином материјала. На овај начин, да ли је инсталиран на равнини или закривљену површину, неће утицати на укупну равност.


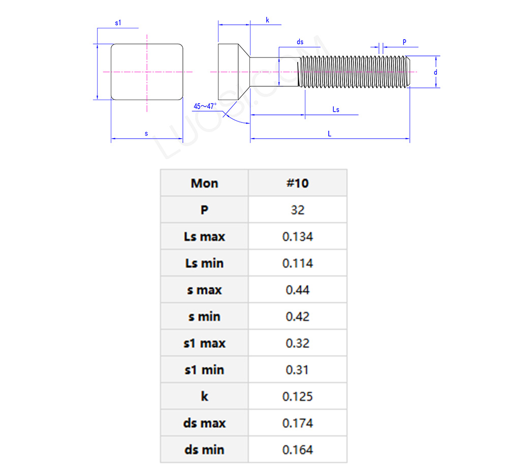
      Square countersunk head bolt parameters

      Продаја производа

      ТхеКвадратни бочни вијаккарактерише бити без простора и прикривена. Након инсталације, глава вијка је испирање са површином материјала и неће испуцати попут обичних вијака. Не утиче ни на изглед ни огреботине других ствари. Лако се инсталирају и не клизи се лако током инсталације, чинећи их веома практичним.


      Хот Тагс: Квадратни бочни вијак, Кина, произвођач, добављач, фабрика
      Повезана категорија
      Пошаљи упит
      Слободно пошаљите свој упит у форму испод. Одговорићемо вам у року од 24 сата.
      X
      We use cookies to offer you a better browsing experience, analyze site traffic and personalize content. By using this site, you agree to our use of cookies. Privacy Policy
      Reject Accept