Ови УН заковицама за ПЦБ плоче се обично праве од добрих легура челика, попут нискоугљеничног или нерђајућег челика, или алуминијума. Имају солидну механичку чврстоћу и добро се држе током времена.
Челични нуде највећу отпорност на затезање и смицање. Алуминијумске, пак, лепо проводе струју и лагане су.
Метал одабран за ове клинове значи да могу да издрже тешка механичка оптерећења, стрес од циклуса грејања и хлађења и да остану јаки све време док је производ у употреби.
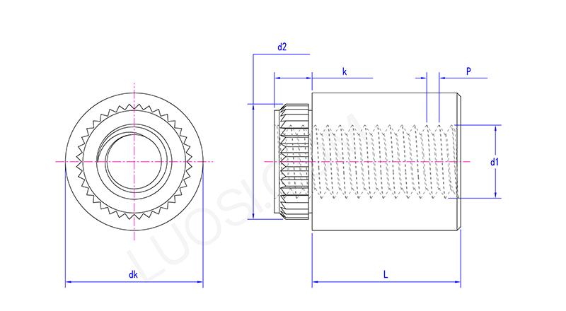
УН заковни вијак за ПЦБ плочу је трајни затварач високе чврстоће који се користи да обезбеди поуздану спољну тачку фиксирања са навојем на штампаним плочама (ПЦБ). Овде „УН“ типично представља „Јединствени национални стандард“, који се односи на стандардизовани тип навоја који поседује (као што је УНЦ или УНФ), што обезбеђује његову компатибилност са различитим стандардним наврткама.
Процес инсталације је брз и ефикасан. Уметните клин у претходно избушену рупу на ПЦБ плочи. Затим користите наменски алат за закивање да бисте деформисали раван крај клина, узрокујући његово ширење ка споља и чврсто приањање између главе заковице и рамена или прирубнице сворњака, формирајући тако чврсту везу отпорну на вибрације без потребе за заваривањем.
Ова метода је посебно погодна за сценарије који захтевају издржавање великог механичког напрезања, потребу да се подвргну вишеструким операцијама уградње или где топлота која се генерише заваривањем може оштетити осетљиве компоненте.
Ови УН заковице за ПЦБ плоче се стављају помоћу методе хладног обликовања или закивања.
Забадате клин кроз претходно избушену рупу у ПЦБ-у. Затим специјални алат за закивање савија држач клина на матрицу испод даске, стварајући трајну, проширену браву која га држи на месту.
Метода хладне обраде генерише мање топлоте и неће оштетити ПЦБ ламинат или кола. Када су правилно постављени, завртњи пружају снажну фиксацију отпорну на вибрације без угрожавања структуре плоче.

| Маркет | Приход (претходна година) | Укупан приход (%) |
| Северна Америка | Поверљиво | 20 |
| Јужна Америка | Поверљиво | 4 |
| Источна Европа | Поверљиво | 24 |
| југоисточна Азија | Поверљиво | 2 |
| Африка | Поверљиво | 2 |
| Океанија | Поверљиво | 1 |
| Средњи исток | Поверљиво | 4 |
| Источна Азија | Поверљиво | 13 |
| Западна Европа | Поверљиво | 18 |
| Централна Америка | Поверљиво | 6 |
| Северна Европа | Поверљиво | 2 |
| Јужна Европа | Поверљиво | 1 |
| Јужна Азија | Поверљиво | 4 |
| Домаће тржиште | Поверљиво | 5 |