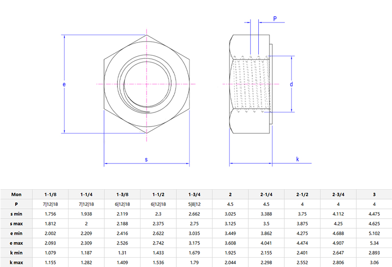
Тешка шестерокутна равна матицапримењује се у машинама, грађевинарству или било којој индустрији која захтева јаке и нископрофилне причвршћиваче. За разлику од обичних шестоугаоних матица, оне су дебље и могу да приањају равно на површине, што их чини веома погодним за скучене просторе.

Чактешка шестоугаона равна матицаће се истрошити. Проверите да ли матица има пукотине, рђу или заобљене ивице. Свако оштећење значи да га треба заменити новим. Ако матица може слободно да се окреће на чистом завртњу, то указује да се навој истрошио. Високе температуре и стрес ће временом смањити снагу ораха. Не мешајте матице различитих разреда: ако се навртка А-граде постави на вијак 8 разреда, последице ће бити незамисливе.
Тешке равне матицеиграју значајну улогу у ситуацијама када се навртке великих димензија не могу уградити. На пример, покретне траке, рамови аутомобила или индустријска опрема са ограниченим простором. Њихове равне површине смањују избочине, чиме се смањује ризик од хватања или оштећења. Такође су веома чести у системима цевовода. Нико не жели да ораси вире и заглављују остатке. Професионални савет: Користитетешка шестоугаона равна матицау комбинацији са равном подлошком за равномерно распоређивање терета. Ако ваш посао захтева орашасте плодове који су и јаки и компактни, онда је ова врста орашастих плодова савршена за вас.
Маркет
Приход (претходна година)
Укупан приход (%)
Северна Америка
Поверљиво
15
Јужна Америка
Поверљиво10
25
Источна Европа
Поверљиво
13
југоисточна Азија
Поверљиво
5
Средњи исток
Поверљиво
7
Источна Азија
Поверљиво
13
Западна Европа
Поверљиво
12
Централна Америка
Поверљиво
5
Јужна Азија
Поверљиво
10
Домаће тржиште
Поверљиво
5
Приликом инсталирањатешка шестоугаона равна матица, користите момент кључ да га затегнете док не испуни спецификације. Прекомерно затезање може изазвати хабање навоја, док недовољно затезање може довести до попуштања навоја. Површина ораха је равна, што значи да ће бити у равни. Стога, молимо вас да проверите да ли су усклађени. Ако површина није глатка, додајте заптивку да бисте спречили огреботине. Поред тога, немојте поново користити старе матице на кључним спојевима. Замените их новим да бисте избегли оштећења.