Кућа > Производи > Матица > Хекагон Нут > Хек равна матица
        Хек равна матица
        • Хек равна матицаХек равна матица
        • Хек равна матицаХек равна матица
        • Хек равна матицаХек равна матица

        Хек равна матица

        Ксиаогуо константно развија нове материјале и нове процесе како би помогао купцима да смање трошкове и побољшају ефикасност производње. Хеави Хек равне матице направљене према ИСО спецификацијама – добре за изградњу рамова и градилишта.
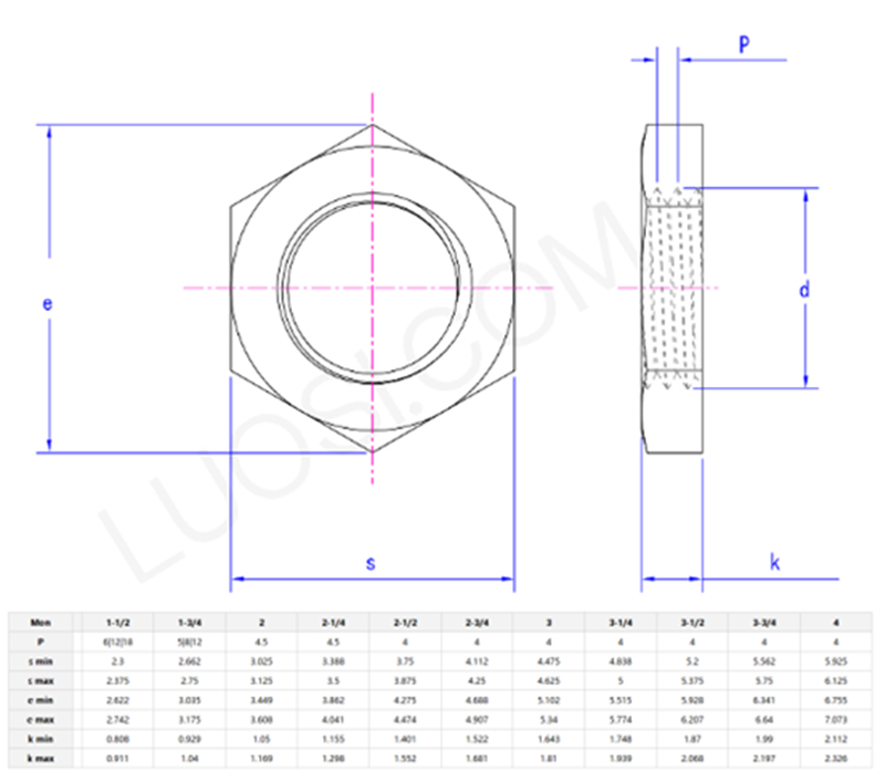
        Модел:ASME/ANSI B18.2.2-8-1993

        Пошаљи упит

        Опис производа

        Хек равне матице су дизајниране са фокусом на практичност и ефикасност и могу се брзо уградити и издржати велике силе. Доступан је у разним материјалима, укључујући обичан челик, нерђајући челик, за различите температуре и корозивна окружења. Ове шестоугаоне матице се користе у пословима где ствари не могу приуштити да се распадну. У грађевинарству држе челичне греде и делове моста заједно. Аутомобили и велике машине их користе да држе моторе и оквире чврстим. За војну опрему попут тенкова или топова, они су довољно чврсти да се носе са грубом употребом. Нафтне платформе и цеви често бирају нерђајући челикшестерокутне равне џем наврткеда се одупре рђи од хемикалија или слане воде. Чамци и ветротурбине такође се ослањају на њих јер се не троше брзо. Без обзира на индустрију, шестоугаоне матице одржавају критичне везе чврстим и безбедним.


        Детаљни цртежи и параметри

        Врх шестоугаоних плоснатих матица може бити дизајниран као површина прирубнице како би се повећала површина контакта и обезбедио бољи ефекат против отпуштања. Хекс навртке које се користе у окружењима са високим температурама обично су направљене од челика отпорног на топлоту, који може да одржи стабилност изнад 500 ° Ц. Хек равне матице за заглављивање се обликују коришћењем метода грејања или хлађења. Мањи ораси се праве на хладно – ово штеди новац и одржава прецизност величине. Већи се прво загревају како би се метал лакше обликовал без пуцања. Након формирања, конци се додају ваљањем (за глађе ивице) или сечењем. Затим се поново загревају да би постали тврђи и јачи. Свака серија се проверава да ли одговара правилима за величину (као што су ИСО или АСТМ), тестира се уклапање нити и потврђује исправност материјала. Овај корак по корак процес осигуравашестерокутне равне џем наврткераде како треба, чак и под тешким стресом.

        Hex flat jam nut

        Hex flat jam nut

        Hex flat jam nut


        ФАКс

        П: Како се ваши шестоугаоници равних џем ораха упоређују по цени са конкурентима?

        О: Фабрика Ксиаогуо®шестерокутне равне џем наврткецене су поприлично у поређењу са осталима, али ми задржавамо квалитет. Цена се мења на основу тога од чега су направљени (као што је нерђајући челик у односу на обични челик) и колико их купите. На пример, оне од нерђајућег челика коштају мало више унапред, али ће се боље држати на местима са водом или хемикалијама. Ако купујете гомилу одједном, снизићемо цену - и нема минималне поруџбине ако вам треба само неколико. Пошто их сами правимо, ниједан посредник не значи да добијате добар посао, а да не водите рачуна о томе колико добро раде.



        Тржишна дистрибуција

        Маркет
        Приход (претходна година)
        Укупан приход (%)
        Северна Америка
        Поверљиво

        25

        Јужна Америка
        Поверљиво
        2
        Источна Европа
        Поверљиво
        16
        југоисточна Азија
        Поверљиво
        3
        Африка
        Поверљиво
        2
        Океанија
        Поверљиво
        2
        Средњи исток 
        Поверљиво
        3
        Источна Азија
        Поверљиво
        16
        Западна Европа
        Поверљиво
        17
        Централна Америка
        Поверљиво
        8
        Северна Европа
        Поверљиво
        1
        Јужна Европа
        Поверљиво
        3
        Јужна Азија
        Поверљиво
        7
        Домаће тржиште
        Поверљиво
        8



        Хот Тагс: Хек равна матица, Кина, произвођач, добављач, фабрика
        Повезана категорија
        Пошаљи упит
        Слободно пошаљите свој упит у форму испод. Одговорићемо вам у року од 24 сата.
        X
        Користимо колачиће да бисмо вам понудили боље искуство прегледања, анализирали саобраћај на сајту и персонализовали садржај. Коришћењем овог сајта прихватате нашу употребу колачића. Политика приватности
        Одбити Прихвати