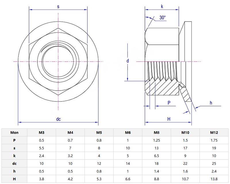
Склоп шестоугаоних навртки и конусне подлошкеsпогодан за неравне или угаоне површине.Шестоугаоне матицеобезбедити стандардне навоје за вијке, док су конусне подлошке прилагођене одговарајућем нагибу или зазору ради безбедности.

Тхешестоугаоне навртке и конусне подлошкеимају стандардни навој, док конусна подлошка има угаону површину која омогућава подешавање до 10-15 степени. Широка основа машине за прање равномерно распоређује оптерећење, а склоп ради са метричким или империјалним вијцима. Крупнији је од равне машине за прање веша, али решава проблеме са поравнањем.
Користитешестоугаоне матице и конусне подлошкеesобезбедитивијцина косим или неправилним површинама. Може да монтира носаче на косим челичним гредама, инсталира опрему на нераван бетон или причврсти ноге машине на каменим подовима. Такође олакшава накнадну уградњу старијих структура са површинама које се таложе или савијају током времена.
Hек навртке и склопови конусних подложакачести су у грађевинарству (челичне греде, скеле), шинским системима (косечни причвршћивање), и пољопривредним машинама (прикључци на неравном терену). Такође се користе у стубовима, носачима соларних панела и ДИИ пројектима попут изградње палубе. Где год се вијци сусрећу са закошеним или грубим површинама, ова комбинација држи ствари чврсто.

| Маркет |
Укупан приход (%) |
| Северна Америка |
10 |
| Источна Европа |
23 |
| југоисточна Азија |
3 |
| Средњи исток |
5 |
| Источна Азија |
18 |
| Западна Европа |
15 |
| Централна Америка |
6 |
| Јужна Азија |
5 |
| Домаће тржиште |
15 |
Склопови шестоугаоних матица и конусних подложакаимају ниске трошкове одржавања, а потребно је само да проверите да ли је производ зарђао или да ли је машина за прање деформисана када је користите. Савијену заптивку треба заменити да би се одржало приањање. Нису погодни за екстремне углове (више од 15 степени) или велика ротациона оптерећења. Они су исплативо решење за већину неуравнотежених послова.