Кућа > Производи > Матица > Хекагон Нут > Хек навртке високе чврстоће
        Хек навртке високе чврстоће
        • Хек навртке високе чврстоћеХек навртке високе чврстоће
        • Хек навртке високе чврстоћеХек навртке високе чврстоће
        • Хек навртке високе чврстоћеХек навртке високе чврстоће

        Хек навртке високе чврстоће

        Шестоугаоне матице високе чврстоће су направљене од угљеничног челика или челика од легуре угљеника са садржајем угљеника између 0,35% и 0,4%. Они су јаки и издржљиви. Произвођач Ксиаогуо® може испунити ваше захтеве за шестоугаоним наврткама високе чврстоће и обезбедити различите спецификације номиналног пречника као што су М12, М16, М20, М24, итд., који се такође могу прилагодити.
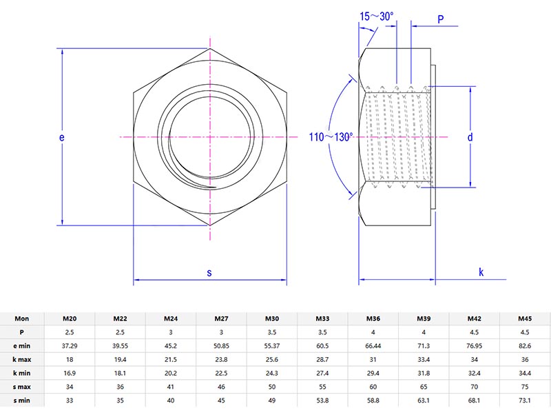
        Модел:GB/T 33943-2017

        Пошаљи упит

        Опис производа

        Тхешестоугаоне матице високе чврстоћенису склони ломљењу под великим оптерећењем. Њихова термички обрађена структура отпорна је на савијање, а задебљани дизајн обезбеђује равномерну расподелу силе на навртку.

        Карактеристике и параметри

        High Strength Hex Nuts


        Главна функција шестоугаоних матица високе чврстоће је да се користе заједно са завртњима за чврсто фиксирање објеката заједно. Ови ораси могу да издрже огромне силе. На великом градилишту користе се за фиксирање огромних челичних греда. У грађевинским пројектима, чак и када наиђу на јаке ветрове или земљотресе, они могу спречити урушавање зграда.

        Чакшестоугаоне матице високе чврстоћеће се истрошити. Приликом прегледа проверите да ли на површини матице има рупица од рђе и да ли су навоји огуљени или напукли. Ако се матица пребрзо окреће на чистом завртњу, одбаците је. Из безбедносних разлога, замените га новом навртком. Не мешајте орахе различитих квалитета.

        У грађевинској индустрији, шестоугаоне матице високе чврстоће се користе за изградњу зграда од челичне конструкције. Радници су фиксирали греде и стубове заједно са овим наврткама како би формирали чврст оквир. Све ове матице могу осигурати интегритет малих стамбених зграда и великих пословних објеката. Могу да издрже тежину и силу која делује на зграде или мостове и издржљиви су.


        High Strength Hex Nuts

        Савети за инсталацију

        Приликом инсталирањашестоугаоне матице високе чврстоће, користите калибрисани кључ за затезање. Матице које задовољавају спецификације могу се чврсто повезати. Претерано затезање ће узроковати истезање вијака, док ће недовољно затезање узроковати квар зглоба и лабаве везе. Користите одговарајуће завртње високе чврстоће и каљене подлошке приликом уградње. Када се користи на отвореном, изаберите материјале од поцинкованог или нерђајућег челика како бисте спречили рђање. Током критичне инсталације, замените ове матице и немојте их поново користити.

        Хот Тагс: Хек матице високе чврстоће, Кина, произвођач, добављач, фабрика
        Повезана категорија
        Пошаљи упит
        Слободно пошаљите свој упит у форму испод. Одговорићемо вам у року од 24 сата.
        X
        Користимо колачиће да бисмо вам понудили боље искуство прегледања, анализирали саобраћај на сајту и персонализовали садржај. Коришћењем овог сајта прихватате нашу употребу колачића. Политика приватности
        Одбити Прихвати