Кућа > Производи > Матица > Хекагон Нут > МЈ Тхреад Смалл Хекагон Танки ораси
      МЈ Тхреад Смалл Хекагон Танки ораси
      • МЈ Тхреад Смалл Хекагон Танки орасиМЈ Тхреад Смалл Хекагон Танки ораси
      • МЈ Тхреад Смалл Хекагон Танки орасиМЈ Тхреад Смалл Хекагон Танки ораси
      • МЈ Тхреад Смалл Хекагон Танки орасиМЈ Тхреад Смалл Хекагон Танки ораси

      МЈ Тхреад Смалл Хекагон Танки ораси

      МЈ Тхреад Мали шестерокут танке матице израђени су од висококвалитетних материјала и погодне су за широк спектар апликација, од монтаже потрошачке електронике до изградње микроструктуре. Ако тражите добављача кинеских шестерокутних екстраних плодова са личним навојем, можете одабрати КСИАОГУО ®.
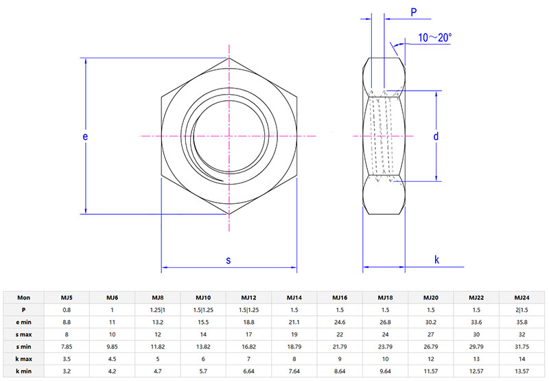
      Модел:HB 8243-2002

      Пошаљи упит

      Опис производа

      МЈ Тхреад Смалл Хекагон Танки орасије компактан и ниски орах. "МЈ Тхреад" се односи на посебну метричку ваздухопловну нит са кружним кореном и бољим отпором умор. Њени параметри као што су профили и терен за зуб оптимизовани су за задовољење потреба високе чврстоће и високих веза. Користе се у прецизном инжењерингу, као што су ваздухоплови, тркачки аутомобили или роботи итд.

      Детаљи производа и параметри

      MJ thread small hexagon thin nuts


      МЈ Тхреад Мали шестерокут Танки ораси се често користе у ваздухопловству (као што су сателитске плоче), мотори са високим перформансама или медицинским уређајима. МЈ Теме могу смањити концентрацију стреса, омогућавајући њихову примену у окружењу са вибрацијама или цикличним оптерећењима. Механика их користи на мотоциклима; Инжењери их користе за беспилотна возила.

      Мали хексагон танки ораси су издржљивији од конвенционалне метричке нити. Корен МЈ нити је кружна (а не оштра), смањујући могућност пуцања под поновљеним снагама. Због мањих толеранција, они су такође мање вјероватно да ће бити погрешно загревани. Ако квар води до застоја или опасности, уместо тога треба да се користе МЈ нити. Поред тога, они су лакши у тежини и примењују се у ваздухопловној или тркачкој области.

      МЈ Тхреад Смалл Хекагон Танки орасиКористи се мотори са високим перформансама, сателитским компонентама или медицинским имплантатом. Прецизност МЈ нити могу смањити трење током постца затезања. Могу се одупријети корозији у оштрим окружењима. Професионални савет: Користите најлонску четку да бисте очистили нит. Откриве лако могу зачепити МЈ нит.




      MJ thread small hexagon thin nuts

      Инсталациони савети

      Тачност је кључна приликом инсталирањаМЈ Тхреад Смалл Хекагон Танки ораси. То је тањи од стандардне метричке нити. Стога, користите га у комбинацији са МЈ вијком. Мешане нити ће проузроковати хабање и на оба. Користите витки кључ или утичницу да не бисте клизали на танком шестерокутном ивици. За кључне зглобове примените агента за закључавање нити.


      Хот Тагс: МЈ Тхреад Смалл Хекагон Танки ораси, Кина, Произвођач, Добављач, Фабрика
      Повезана категорија
      Пошаљи упит
      Слободно пошаљите свој упит у форму испод. Одговорићемо вам у року од 24 сата.
      X
      We use cookies to offer you a better browsing experience, analyze site traffic and personalize content. By using this site, you agree to our use of cookies. Privacy Policy
      Reject Accept