ДИН 1804 Навртка
        • ДИН 1804 НаврткаДИН 1804 Навртка
        • ДИН 1804 НаврткаДИН 1804 Навртка

        ДИН 1804 Навртка

        Кинески добављач и произвођач Ксиаогуо® специјализован је за ДИН 1804 матице које се могу поново користити. Производ нуди високу исплативост и може ефикасно смањити трошкове одржавања на дужи рок. Ако купите матице ДИН 1804 на велико, добићете повољнију цену.

        Пошаљи упит

        Опис производа

        Алати за инсталацију

        Иако ДИН 1804 матица има једноставну структуру, правилна инсталација је кључ за обезбеђивање перформанси закључавања.

        (1)Основни алат: кључ са куком (мора се користити), уобичајени стандард је ДИН 1810.

        Постоје различити облици:

        1) Фиксни тип са подигнутим носом: У складу са стандардом ДИН 1810, то је најчешће коришћена стандардна опција.

        2) Зглобни/подесиви тип: Један алат покрива више спецификација, погодан за ситуације са променљивим радним условима.

        3) Тип комплета: као што је сет од 8 комада, који садржи различите спецификације, олакшавајући централизовано управљање и употребу.

        (2)Помоћни алати: Момент кључ: Да би се осигурала прецизна контрола силе закључавања, многи кључеви типа куке су дизајнирани са квадратним језичцима који се могу повезати са момент кључевима. (3)Прибор против отпуштања: Да би се постигао ефекат против отпуштања, матица мора бити упарена са одговарајућим уређајем против отпуштања, као што је подлошка за закључавање или лепак за закључавање навоја.

        DIN 1804 Nut

        Кораци инсталације

        (1)Припрема пре инсталације

        Потврдите спецификације: Уверите се да је спецификација навоја ДИН 1804 матице у складу са спецификацијом осовине.

        Провера чишћења: Темељно очистите осовину, навоје матице и спојне површине кључева и проверите да ли има неравнина или оштећења.

        Потврдите носиву површину: Приликом уградње, страна навртке са фино обрађеном површином мора бити окренута према лежају или крајњој страни радног комада.

        (2)Почетно затезање

        Ручно уметање: Поравнајте матицу са крајем осовине унапред, а затим је уметните руком за 2 до 3 окрета.

        (3)Уређај против отпуштања

        Уградите подлошку за закључавање према шеми против отпуштања (унутрашњи језик треба да буде у равни са утором на осовини) или нанесите лепак за закључавање навоја.

        (4)Завршно затезање

        Пажљиво уметните избочени нос кукастог кључа у жлеб навртке (имајте на уму да почев од спецификације М45к1.5, матица има 6 жлебова и морате равномерније применити силу)

        (5)Закључавање и потврда

        Коришћење механичког отпуштања (прстен за закључавање): Након затезања матице, савијте спољни језичак прстена и уметните га у било који прорез на навртци да бисте постигли механичко закључавање.

        Користите хемијско средство против отпуштања (лепило за закључавање навоја): Нанесите га након чишћења навоја и пре затезања и сачекајте да се очврсне.

        Завршна провера: Користите момент кључ да поново проверите обртни момент.

        DIN 1804 Nut

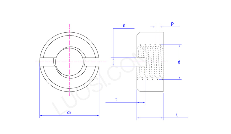
        пон М3.5 М4 М5 М6 М8 М10 М12 М14 М16 М18 М20
        P 0.6 0.7 0.8 1 1.25 1.5 1.75 2 2 2.5 2.5
        дк мак 7 8 9 11 14 18 21 24 26 29 32
        дк мин 6.64 7.64 8.64 10.57 13.57 17.57 20.48 23.48 25.48 28.48 31.38
        к мак 3 3.5 4.2 5 6.5 8 10 11 12 13 14
        к мин 2.75 3.2 3.9 4.7 6.14 7.64 9.64 10.57 11.57 12.57 13.57
        н мин 1.46 1.46 2.06 2.56 3.06 3.57 4.07 4.07 4.07 4.07 5.07
        н мак 1.71 1.71 2.31 2.81 3.31 3.87 4.37 4.37 4.37 4.37 5.37
        т мин 1 1.2 15 2 2.5 3.2 3.8 3.8 3.8 4.8 4.8
        т мак 1.40 1.60 1.90 2.4 3 3.7 4.3 4.3 4.3 5.5 5.5

        Упутство за инсталацију

        (1)Не мешајте носиве површине: Уверите се да је фино обрађена д3 површина у блиском контакту, са храпавом површином окренутом у правцу рада алата.

        (2)Вредност обртног момента је од кључне важности: претерано велики обртни момент може оштетити навоје или изазвати деформацију осовине; недовољно велики обртни момент доводи до недовољне силе претходног затезања, што ДИН 1804 матицу чини  склоном отпуштању.

        (3)Правилна употреба алата: Уверите се да величина насадног кључа тачно одговара спољашњем пречнику навртке како бисте избегли оштећење прореза.

        (4) Треба узети у обзир силу предоптерећења: Када се користи за предоптерећење лежаја, потребно је прецизно подесити силу предоптерећења користећи професионалне методе.

        (5)Редовна провера: Током почетног рада опреме или након великих поправки, потребно је спроводити редовне провере статуса закључавања матица како би се спречило отпуштање.

        Хот Тагс: ДИН 1804 Матица, Кина, произвођач, добављач, фабрика
        Повезана категорија
        Пошаљи упит
        Слободно пошаљите свој упит у форму испод. Одговорићемо вам у року од 24 сата.
        X
        Користимо колачиће да бисмо вам понудили боље искуство прегледања, анализирали саобраћај на сајту и персонализовали садржај. Коришћењем овог сајта прихватате нашу употребу колачића. Политика приватности
        Одбити Прихвати