ГБ 812 Навртка
        • ГБ 812 НаврткаГБ 812 Навртка
        • ГБ 812 НаврткаГБ 812 Навртка

        ГБ 812 Навртка

        Ксиаогуо® је кинески добављач ГБ 812 матице која се може похвалити одличном снагом и издржљивошћу. Сам производ може да издржи изузетно велика оптерећења и да ради најбоље што може, и мало је вероватно да ће се деформисати током дуготрајне употребе. Покушајте да изаберете напредну матицу ГБ 812. Сигурно ћете бити пријатно изненађени!

        Пошаљи упит

        Опис производа

        Предмети за фабричку инспекцију

        Да бисмо осигурали поузданост произведених матица, стриктно ћемо спроводити тестове у складу са стандардом за матице ГБ 812. Тестови ће се фокусирати на четири кључна аспекта: величину, перформансе, материјал и изглед.

        (1)Провера димензија и тачности

        Мерење димензија облика: Измерите спољашњи пречник, унутрашњи пречник и укупну висину матице. Измерене вредности не би требало да прелазе опсег толеранције, а фотографије треба да буду снимљене.

        Провера величине прореза: Проверите ширину, дубину и пречник жлеба или зареза да бисте обезбедили добро пристајање са алатом који се користи.

        (2)Провера тачности навоја

        Провера мерача навоја: Тест се спроводи помоћу „мерача навоја (ГО)“ и „мерача за заустављање (НО-ГО)“. Квалификовани стандард је следећи: Мерач навоја треба да буде у стању да се глатко и потпуно уметне, док се граничник може уметнути за највише 2 окрета.

        Мерење параметара навоја: Користећи прецизне инструменте, средњи пречник, девијација корака и угао спирале навоја се даље мере.

        GB 812 Nut

        (3) Испитивање механичких перформанси

        Тест тврдоће: Користите тестер тврдоће по Роцквелл (ХРЦ), Бринелл (ХБВ) или Вицкерс (ХВ) да бисте измерили тврдоћу на крајњој страни или на страни ГБ 812 матице.

        Други тестови перформанси: У зависности од захтева примене, додатна испитивања као што су затезна чврстоћа, ударна жилавост и век трајања могу се такође спровести како би се свеобухватно процениле његове механичке особине.

        (4)Квалитет површине и инспекција материјала

        Анализа састава материјала: Методама као што је спектроскопска анализа, верификован је материјал ораха.

        Преглед површинске обраде:

        Изглед и недостаци: Прегледајте под добрим осветљењем помоћу визуелног прегледа или лупе. Пукотине, неравнине, набори, рђа итд., који могу утицати на чврстоћу, не смеју бити присутни.

        Квалитет премаза: Ако је производ прошао третмане као што су галванизација, поцрњење или премаз Дацромет, потребно је испитати дебљину премаза (помоћу мерача дебљине), адхезију (као што је тест на огреботине) и отпорност на корозију (путем теста сланим спрејом).

        GB 812 Nut

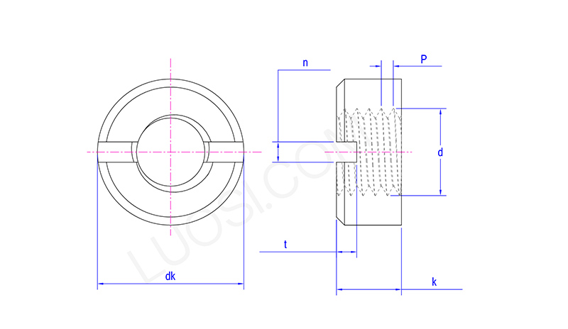
        пон М3.5 М4 М5 М6 М8 М10 М12 М14 М16 М18 М20
        P 0.6 0.7 0.8 1 1.25 1.5 1.75 2 2 2.5 2.5
        дк мак 7 8 9 11 14 18 21 24 26 29 32
        дк мин 6.64 7.64 8.64 10.57 13.57 17.57 20.48 23.48 25.48 28.48 31.38
        к мак 3 3.5 4.2 5 6.5 8 10 11 12 13 14
        к мин 2.75 3.2 3.9 4.7 6.14 7.64 9.64 10.57 11.57 12.57 13.57
        н мин 1.46 1.46 2.06 2.56 3.06 3.57 4.07 4.07 4.07 4.07 5.07
        н мак 1.71 1.71 2.31 2.81 3.31 3.87 4.37 4.37 4.37 4.37 5.37
        т мин 1 1.2 15 2 2.5 3.2 3.8 3.8 3.8 4.8 4.8
        т мак 1.40 1.60 1.90 2.4 3 3.7 4.3 4.3 4.3 5.5 5.5

        Паковање

        За фабричко паковање навртке ГБ 812 следићемо стандард ГБ/Т 90.2. Кључни захтеви су да се осигура да су етикете производа потпуне, да је паковање чврсто и да може да издржи утицаје околине током транспорта и складиштења.

        (1) Третман против рђе: Производи без премаза морају бити премазани средством против рђе.

        (2)Форма паковања: Више пластичних кутија / кеса, кеса против рђе / филма. Спољна амбалажа је обично направљена од плетених кеса, картонских кутија или дрвених кутија (за посебне захтеве као што је извоз, може се користити прилагођено паковање)

        (3)Снага паковања: У складу са научним, чврстим и економским принципима, избегавајући оштећења током транспорта (са вама ћемо одредити специфичне детаље)

        (4)Садржај етикете: произвођач, назив производа, стандардна ознака, количина/нето тежина, датум производње, ознака квалитета итд.

        (5)Формат етикете: Нема ограничења (штампање/утискивање/везивање/лепљење је све прихватљиво)

        Хот Тагс: ГБ 812 Нут, Кина, произвођач, добављач, фабрика
        Повезана категорија
        Пошаљи упит
        Слободно пошаљите свој упит у форму испод. Одговорићемо вам у року од 24 сата.
        X
        Користимо колачиће да бисмо вам понудили боље искуство прегледања, анализирали саобраћај на сајту и персонализовали садржај. Коришћењем овог сајта прихватате нашу употребу колачића. Политика приватности
        Одбити Прихвати