Кућа > Производи > Матица > Округла матица > Кружна матица са прорезима
        Кружна матица са прорезима
        • Кружна матица са прорезимаКружна матица са прорезима
        • Кружна матица са прорезимаКружна матица са прорезима

        Кружна матица са прорезима

        Кина Ксиаогуо® кружна навртка са прорезима је способна да издржи различита оштра окружења и може са лакоћом да рукује материјалима од нерђајућег челика. Ово је изузетна отпорност производа на корозију. Добављачи кружних навртки са прорезима ће вам обезбедити производе високог квалитета.

        Пошаљи упит

        Опис производа

        Процедура за решавање проблема

        Што се тиче уобичајених проблема са кружном навртком, ово је систематски поступак руковања који ће вам помоћи да брзо идентификујете и решите проблеме.

        (1)Идентификујте проблем

        Визуелни преглед: Проверите да ли су матице лабаве, да ли су навоји зарђали или су склизнули, и да ли има пукотина или деформација на уторима.

        Тест на осећај: У безбедном стању, покушајте да ручно окренете матицу и посматрајте да ли постоји очигледан отпор или ротациони зазор.

        Повратне информације о опреми: Обратите пажњу на то да ли постоји било каква ненормална вибрација, необична бука или нестабилан рад опреме.

        Професионални алат: Спроведите насумичне инспекције помоћу момент кључа.

        (2)Дијагностика грешке

        Матица је лабава.

        Шраф се неће скинути.

        Хабање навоја

        Матица се сломила.

        Оштећење утора

        (3) Извршите поправку

        Директна поправка: За лабаве делове и мање рђе, подмазивање и поновно затезање се могу извршити директно.

        Замените новим деловима: За матице са јако истрошеним навојем, оштећеним или сломљеним жлебовима, треба их директно заменити.

        Стандардни радни поступак: Када радите, увек користите исправне алате и пратите стандардни обртни момент.

        Slotted Circular Nut

        Производни капацитет предузећа

        Свесни смо да су напредне производне технике и опрема основа за обезбеђивање високог квалитета и високог производног капацитета. Због тога смо увели напредне технике обликовања метала. Кроз калупе, металне шипке се подвргавају пластичној деформацији како би се формирао основни облик навртки, а усвојен је аутоматизовани процес прорезивања како би се постигла ефикасна и прецизна обрада прорезивања. Интегрисана производна линија омогућава самосталну производњу целог процеса од сировина до готових производа. У исто време, опремљени смо инструментима за тестирање и системом контроле квалитета целог процеса за праћење и праћење целог процеса производње кружне матице са прорезима.

        Slotted Circular Nut

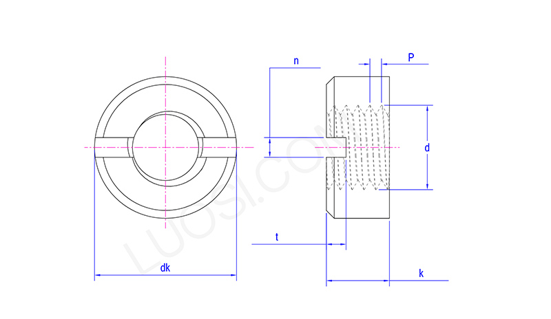
        пон М3.5 М4 М5 М6 М8 М10 М12 М14 М16 М18 М20
        P 0.6 0.7 0.8 1 1.25 1.5 1.75 2 2 2.5 2.5
        дк мак 7 8 9 11 14 18 21 24 26 29 32
        дк мин 6.64 7.64 8.64 10.57 13.57 17.57 20.48 23.48 25.48 28.48 31.38
        к мак 3 3.5 4.2 5 6.5 8 10 11 12 13 14
        к мин 2.75 3.2 3.9 4.7 6.14 7.64 9.64 10.57 11.57 12.57 13.57
        н мин 1.46 1.46 2.06 2.56 3.06 3.57 4.07 4.07 4.07 4.07 5.07
        н мак 1.71 1.71 2.31 2.81 3.31 3.87 4.37 4.37 4.37 4.37 5.37
        т мин 1 1.2 15 2 2.5 3.2 3.8 3.8 3.8 4.8 4.8
        т мак 1.40 1.60 1.90 2.4 3 3.7 4.3 4.3 4.3 5.5 5.5

        ФАК

        (1)Које су уобичајене стандардне спецификације за кружну матицу са прорезима?

        Уобичајени стандарди укључују: ГБ/Т 812 (кинески национални стандард), ДИН 981 (немачки стандард, често се користи за закључавање лежајева), ДИН 1804 и АНСИ/АБМА 8.2 (амерички стандард) итд.

        (2)Може ли се матица поново користити?

        Да, све док структура као што су навој и утор матице није оштећена, тело матице се може поново користити.

        (3)Који је препоручени период одржавања матица?

        Препоручљиво је извршити инспекцију изгледа једном месечно; и извршите насумични преглед поновног затезања користећи професионалне алате сваког квартала.

        (4)Који су најважнији подаци при одабиру спецификације матице?

        Најважнији фактор је спецификација навоја (номинални пречник × корак), и од суштинске је важности да се провери корак (као што је М16×1,5) како би се осигурало да је у потпуности у складу са спецификацијом навоја осовине.


        Хот Тагс: Прорезана кружна матица, Кина, произвођач, добављач, фабрика
        Повезана категорија
        Пошаљи упит
        Слободно пошаљите свој упит у форму испод. Одговорићемо вам у року од 24 сата.
        X
        Користимо колачиће да бисмо вам понудили боље искуство прегледања, анализирали саобраћај на сајту и персонализовали садржај. Коришћењем овог сајта прихватате нашу употребу колачића. Политика приватности
        Одбити Прихвати