ДИН 981 Навртка
        • ДИН 981 НаврткаДИН 981 Навртка
        • ДИН 981 НаврткаДИН 981 Навртка

        ДИН 981 Навртка

        Кинески добављач Ксиаогуо® обезбеђује матицу ДИН 981 која има кружни облик. Током рада, чини целу структуру компактнијом, штеди више простора и погодан је за прецизну опрему са специфичним захтевима за простором за уградњу. Куповина ДИН 981 матице ће вам бити од користи у многим аспектима.

        Пошаљи упит

        Опис производа

        Цоре Стренгтхс

        Основна предност ДИН 981 матице лежи у њиховом дизајну, који је посебно скројен за прецизно причвршћивање котрљајућих лежајева на вратила. Њихов јединствени дизајн је показао предности у погледу прецизности, поузданости, практичности и носивости.

        (1)Принципи дизајна и професионализам

        Дизајн ДИН 981 матице стриктно се придржава ексклузивних стандарда, постижући прецизну компатибилност са котрљајућим лежајевима.

        Карактеристичан дизајн уреза и финих зубаца:

        Прорез против отпуштања: Равномерно распоређени прорези на спољашњем кругу навртке. Током употребе, потребно га је инсталирати и раставити заједно са одговарајућим кључем у облику куке или специјалним алатима.

        Прецизан фини навој: Користећи дизајн са финим навојем, не само да нуди боље перформансе самозакључавања, већ и омогућава прецизније подешавање аксијалног помака.

        (2)Основне предности коришћења

        Стандарди за производњу високе прецизности: Као стандардни причвршћивачи, кључне димензије као што су тачност навоја и отпуштање крајње стране ових компоненти имају строге захтеве толеранције.

        Инсталација и одржавање су једноставни: коришћењем стандардних алата у облику куке, овај дизајн омогућава флексибилан рад чак и у ограниченим просторима за инсталацију.

        (3)Широка прилагодљивост производа

        Богате опције материјала: Да би се прилагодили различитим окружењима, обезбеђен је низ избора материјала, као што су угљенични челик високе чврстоће, нерђајући челик А2/А4 (304/316) итд.

        Различити површински третмани: површинским третманима као што су галванизација, зацрњење и дактрон, отпорност на корозију се може побољшати, што га чини погодним за оштре услове као што су влажност и слана магла.

        DIN 981 Nut

        Како продужити век трајања

        Да би се продужио век трајања ДИН 981 матица, основна идеја се може сажети као: прецизан избор, стандардизована инсталација и редовно одржавање. Ево неколико кључних практичних метода:

        (1)прецизан избор

        Изаберите површинску обраду на основу животне средине: трајање теста сланог спреја за Дацромет премаз може премашити 2.000 сати, што је четири пута дуже од традиционалног галванизације.

        Изаберите материјал на основу радног окружења: За услове високофреквентних вибрација, треба изабрати легирани челик вишег квалитета (као што је степен 8 у смислу чврстоће); за нормална оптерећења довољан је стандардни угљенични челик.

        (2) стандардизована инсталација

        Користите одговарајући алат: Обавезно користите стандардни кључ у облику полумесеца и уверите се да његова величина савршено одговара прорезу навртке.

        Савладајте редослед уградње: Прво, ручно окрените матицу у неколико пуних окрета. Затим га помоћу алата затегните у прописаном редоследу (као што је симетрично корак по корак).

        Одржавајте чисто окружење: Пре уградње, уверите се да су навоји и контактне површине чисти и без страних материја.

        (3)редовно одржавање

        Правилно подмазивање: Редовно наносите одговарајућу количину масти за подмазивање на површине са навојем, што може смањити трење, спречити хабање и заглављивање.

        Редовна провера: Препоручује се да се производ подвргне провери обртног момента сваких 3 до 6 месеци. Истовремено, визуелно проверите да ли су навоји неоштећени и проверите да ли матице имају пукотине, хабање или знакове корозије.

        Редовно ажурирајте помоћне делове: Нови зауставни прстен треба заменити након сваког растављања.

        DIN 981 Nut

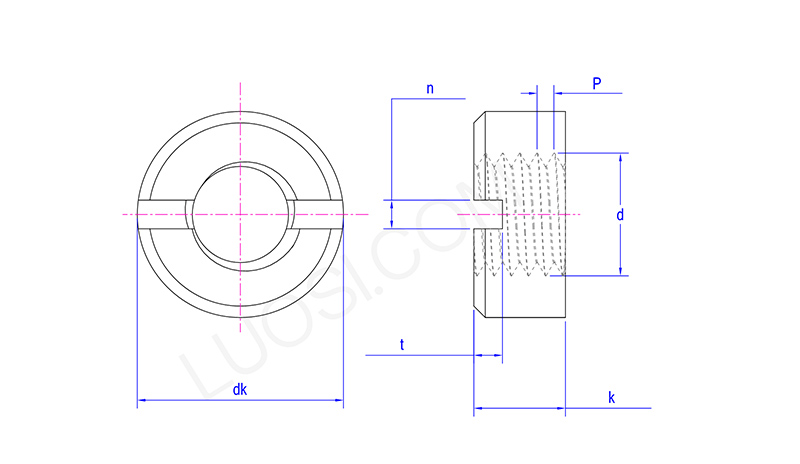
        пон М3.5 М4 М5 М6 М8 М10 М12 М14 М16 М18 М20
        P 0.6 0.7 0.8 1 1.25 1.5 1.75 2 2 2.5 2.5
        дк мак 7 8 9 11 14 18 21 24 26 29 32
        дк мин 6.64 7.64 8.64 10.57 13.57 17.57 20.48 23.48 25.48 28.48 31.38
        к мак 3 3.5 4.2 5 6.5 8 10 11 12 13 14
        к мин 2.75 3.2 3.9 4.7 6.14 7.64 9.64 10.57 11.57 12.57 13.57
        н мин 1.46 1.46 2.06 2.56 3.06 3.57 4.07 4.07 4.07 4.07 5.07
        н мак 1.71 1.71 2.31 2.81 3.31 3.87 4.37 4.37 4.37 4.37 5.37
        т мин 1 1.2 15 2 2.5 3.2 3.8 3.8 3.8 4.8 4.8
        т мак 1.40 1.60 1.90 2.4 3 3.7 4.3 4.3 4.3 5.5 5.5
        Хот Тагс: ДИН 981 Матица, Кина, произвођач, добављач, фабрика
        Повезана категорија
        Пошаљи упит
        Слободно пошаљите свој упит у форму испод. Одговорићемо вам у року од 24 сата.
        X
        Користимо колачиће да бисмо вам понудили боље искуство прегледања, анализирали саобраћај на сајту и персонализовали садржај. Коришћењем овог сајта прихватате нашу употребу колачића. Политика приватности
        Одбити Прихвати