Схафт Нут
        • Схафт НутСхафт Нут
        • Схафт НутСхафт Нут

        Схафт Нут

        Дизајн прореза Ксиаогуо® прилагођене матице осовине направљене у Кини је посебно креиран да буде компатибилан са наменским алатима. Одабир најновије матице вратила значајно ће побољшати ефикасност монтаже. Уградњу и демонтажу чини изузетно практичним.

        Пошаљи упит

        Опис производа

        Како одабрати одговарајућу површинску обраду?

        Избор површинске обраде за навртку осовине углавном зависи од специфичног окружења употребе, буџета и захтева за перформансама.

        (1) Буџетски приоритет, суво окружење у затвореном простору: Пожељна опција је електро-галванизација.

        (2)Оштри спољни услови / Висока отпорност на корозију: Пожељне опције су топло цинковање или никловање без електронике.

        (3)Причвршћивачи високе чврстоће (Разред 10.9 и више): Процес мора бити одабран који нема ризик од водоничне кртости, као што је Дацромет или механичко цинковање.

        (4)За наношење премаза или за смањење трења: Одаберите фосфатирање.

        (5)Специфични захтеви за изглед: За ефекат завршне обраде огледала, може се изабрати хромирање; за чисту црну и густ изглед, може се изабрати електрофоретска црна.

        (6)Посебни функционални захтеви (отпорност на високе температуре / против лепљења): Изаберите тефлонски премаз.

        (7)Веома посвећени заштити животне средине: Дајемо предност употреби нових еколошки прихватљивих процеса као што су Дацромет премаз без хрома и поцинковање врућим потапањем.

        Shaft Nut

        Карактеристике структуралног дизајна

        Матица осовине је прецизно дизајнирана у смислу структуре. Његове дизајнерске карактеристике углавном леже у аспектима навоја, механизма за закључавање и облика.

        (1) Дизајн навоја

        Она служи као основа за навртку осовине и кључна је за обезбеђивање снаге и тачности везе.  

        Фини навој: Све матице вратила су опремљене финим навојем. Угао спирале финог навоја је мали, што обезбеђује одличне перформансе самозакључавања. Посебно је погодан за апликације изложене динамичким оптерећењима.

        Толеранција високе прецизности: Унутрашњи навој матице се обично производи у складу са стандардом ИСО 965-2 6Х или 5Х, док се навој осовине за спајање препоручује да се користи толеранција од 6г.

        (2) Механизам против отпуштања и закључавања

        Ово је срж функције "закључавања" матице, која се ефикасно одупире вибрацијама и ударима.

        Тип са прорезима: Ово је најкласичнији дизајн. Постиже анти-лабављење обрадом 4 до 8 радијалних утора на спољном кругу навртке.

        Аксијални завртњи за закључавање: Овај дизајн интегрише завртње за закључавање на тело матице. Уобичајени распоред се састоји од 3, 4 или 8 равномерно распоређених шрафова, који обезбеђују равномерну дистрибуцију силе закључавања.

        Стезање еластичне деформације: Ово је веома прецизан дизајн. Главно тело ораха садржи "еластичну дијафрагму" или "мембранску" структуру. Приликом затезања завртња, мембрана се подвргава контролисаној еластичној деформацији, што резултира пуним обимним трењем од 360°.

        Аксијално и зупчасто закључавање базе: Сила закључавања типа аксијалног закључавања је паралелна са осом навоја; тип закључавања базе зуба је у контакту са основом навоја (под углом од приближно 30°) кроз механизам за закључавање, што може ефикасно спречити деформацију тела матице.


        (3) Дизајн облика

        Дизајн екстеријера одређује лакоћу уградње, оперативни простор и погодност одржавања.

        Кружно главно тело: Кружни дизајн главног тела ефикасно избегава ротационе сметње.

        Интерфејс специјализованог алата: Утор: Углавном се користи у комбинацији са кључем у облику куке.

        Крајња страна: На крајњој површини су дизајниране рупе које се могу затегнути помоћу кључа или цилиндричне шипке.

        Дизајн косина: Према стандардима (као што је ДИН 981), навртке вратила обично имају кос од 30°, што помаже у вођењу подлошке за закључавање и олакшава њено правилно постављање током уградње.

        Shaft Nut


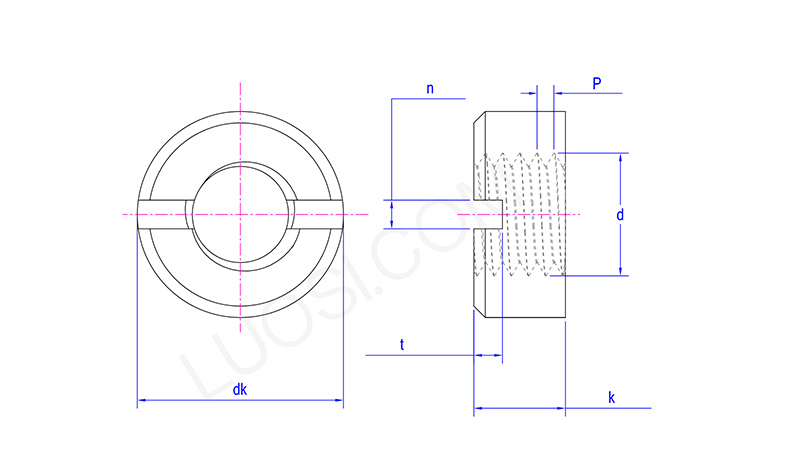
        пон М3.5 М4 М5 М6 М8 М10 М12 М14 М16 М18 М20
        P 0.6 0.7 0.8 1 1.25 1.5 1.75 2 2 2.5 2.5
        дк мак 7 8 9 11 14 18 21 24 26 29 32
        дк мин 6.64 7.64 8.64 10.57 13.57 17.57 20.48 23.48 25.48 28.48 31.38
        к мак 3 3.5 4.2 5 6.5 8 10 11 12 13 14
        к мин 2.75 3.2 3.9 4.7 6.14 7.64 9.64 10.57 11.57 12.57 13.57
        н мин 1.46 1.46 2.06 2.56 3.06 3.57 4.07 4.07 4.07 4.07 5.07
        н мак 1.71 1.71 2.31 2.81 3.31 3.87 4.37 4.37 4.37 4.37 5.37
        т мин 1 1.2 15 2 2.5 3.2 3.8 3.8 3.8 4.8 4.8
        т мак 1.40 1.60 1.90 2.4 3 3.7 4.3 4.3 4.3 5.5 5.5

        Хот Тагс: Матица осовине, Кина, произвођач, добављач, фабрика
        Повезана категорија
        Пошаљи упит
        Слободно пошаљите свој упит у форму испод. Одговорићемо вам у року од 24 сата.
        X
        Користимо колачиће да бисмо вам понудили боље искуство прегледања, анализирали саобраћај на сајту и персонализовали садржај. Коришћењем овог сајта прихватате нашу употребу колачића. Политика приватности
        Одбити Прихвати