Кућа > Производи > Матица > Округла матица > Округле матице са пуним навојем
        Округле матице са пуним навојем
        • Округле матице са пуним навојемОкругле матице са пуним навојем
        • Округле матице са пуним навојемОкругле матице са пуним навојем

        Округле матице са пуним навојем

        Округле матице са потпуно навојем су дизајниране са урезима на спољној ивици за употребу са кључевима. Данас многи купци купују ове производе из Кине КСИАОГУО јер су исплативи и имају стабилно и поуздано снабдевање.

        Пошаљи упит

        Опис производа

        Упутства за употребу производа

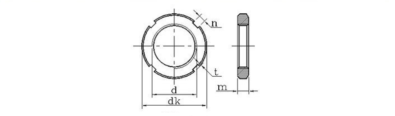
        Округле матице са пуним навојем - дефинисане су у складу са стандардима као што је ДИН 546 и углавном се користе за постизање сигурне везе за причвршћивање и могу издржати вибрације. Главна карактеристика ових ораха лежи у прорезима изрезаним на једном крају матице. Ево како да их користите: Прво, зашрафите матицу на претходно избушени вијак или клин и затегните га до жељеног положаја. Након затезања, поравнајте прорез са рупом на осовини вијка. На крају, уметните отворену иглу (подлошку за закључавање) или сигурносну линију кроз поравнати прорез и отвор за вијак, а затим савијте крајеве игле да бисте осигурали сигурно пристајање. Дакле, у присуству вибрација, матица се неће олабавити.

        Паковање производа

        На основу наших резултата истраживања, нудимо низ округлих матица са пуним навојем, које су веома погодне за индустријску примену. Паковање у вреће или кутије је уобичајена и практична метода. Свака врећа обично садржи одређени број орашастих плодова, на пример 100 по врећици. Ова форма у врећама је погодна за транспорт, бројање инвентара и дистрибуцију у радионици или монтажној линији. Амбалажа је обично провидна или има етикете, што вам омогућава да брзо идентификујете врсту и величину ораха. Ако сте произвођач или велики купац, можемо да обезбедимо и веће количине картонске амбалаже или да прилагодимо паковање према вашим захтевима. Ово помаже да се смање трошкови и да ланац снабдевања вашег пројекта тече глатко.

        Сесија питања и одговора

        Од којих материјала се обично праве ваше округле матице са пуним навојем?

        О: Обично правимо наше матице од угљеничног челика за општу употребу. Такође имамо опције од нерђајућег челика (разреда 304 и 316) ако вам треба нешто што је отпорно на рђу, и оне од месинга за немагнетне апликације. Само изаберите материјал за матице на основу специфичности вашег окружења и механичких потреба.

        Fully Threaded Slotted Round Nuts


        јединица: мм
        д*П дк m n t Квалитет на 1000 челичних производа≈кз д*П дк m n t Квалитет на 1000 челичних производа≈кг
        мак мин мак мин мак мин мак мин
        М10*1 22 8 4.3 4 2.6 2 16.82 М64*2 95 12 8.36 8 4.25 3.5 351.9
        М12*1,25 25 21.58 М65*2 95 342.4
        М14*1.5 28 26.82 М68*2 100 10.36 10 4.75 4 380.2
        М16*1,5 30 5.3 5 3.1 2.5 28.44 М72*2 105 15 518
        М18*1.5 32 31.19 М75*2 105 477.5
        М20*1,5 35 37.31 М76*2 110 562.4
        М22*1,5 38 10 54.91 М80*2 115 608.4
        М24*1,5 42 68.88 М85*2 120 640.6
        М25*1,5 42 68.88 М90*2 125 18 12.43 12 5.75 5 796.1
        М27*1.5 45 75.49 М95*2 130 834.7
        М30*1.5 48 82.11 М100*2 135 873.3
        М33*1,5 52 6.3 6 3.6 3 93.32 М105*2 140 895
        М35*1,5 52 84.99 М110*2 150 14.43 14 6.75 6 1076
        М36*1.5 55 100.3 М115*2 155 22 1369
        М39*1.5 58 107.3 М120*2 160 1423
        М40*1,5 58 109.5 М125*2 165 1477
        М42*1,5 62 121.8 М130*2 170 1531
        М45*1,5 68 153.6 М140*2 180 26 1937
        М48*1,5 72 12 8.36 8 4.25 3.5 201.2 М150*2 200 16.43 16 7.9 7 2651
        М50*1,5 72 186.8 М160*3 210 2810
        М52*1,5 78 238 М170*3 220 2970
        М55*2 78 214.4 М180*3 230 30 3610
        М56*2 85 290.1 М190*3 240 3794
        М60*2 90 320.3 М200*3 250 3978





        Хот Тагс: Округле матице са пуним навојем, Кина, произвођач, добављач, фабрика
        Повезана категорија
        Пошаљи упит
        Слободно пошаљите свој упит у форму испод. Одговорићемо вам у року од 24 сата.
        X
        Користимо колачиће да бисмо вам понудили боље искуство прегледања, анализирали саобраћај на сајту и персонализовали садржај. Коришћењем овог сајта прихватате нашу употребу колачића. Политика приватности
        Одбити Прихвати